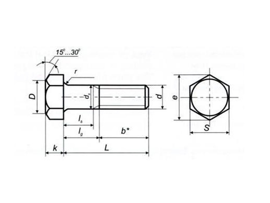
Болт с шестигранной головкой, класс точности В ГОСТ 10602-94
Продажа и поставка болтов по всей России и странам СНГ. Постоянным клиентам скидка! Под заказ! Звоните!
Продажа и поставка болтов по всей России и странам СНГ. Постоянным клиентам скидка! Под заказ! Звоните!
Болт ГОСТ 10602-94
Болт с шестигранной головкой с диаметром резьбв свыше 48 мм, класс точности B ГОСТ 10602-94 применяется в машиностроении, приборостроении и строительстве в качестве деталей соединения.
Класс точности: B.
Поле допуска резьбы: 6g, 8g.
Марки стали: 10, 20, 35, 20Г2Р, 40Х, 09Г2С.
Класс прочности: 4,8; 5,8; 8,8; 10,9.
Узнать стоимость товара on-line
|
Параметры болта |
Номинальный диаметр резьбы d |
||||||||||||
|---|---|---|---|---|---|---|---|---|---|---|---|---|---|
|
М52* |
М56 |
М64 |
М72 |
M76* |
M80 |
М90 |
М100 |
М110 |
М125 |
М140 |
М150 |
||
|
Шаг резьбы, P |
крупный |
5 |
5,5 |
6 |
- |
- |
- |
- |
- |
- |
- | - |
- |
|
мелкий |
3 |
4 |
4 |
4 или 6 | |||||||||
| b | 1) |
116 |
124 |
140 |
156 |
- |
- |
- |
- |
- |
- |
- |
- |
| 2) |
129 |
137 |
153 |
169 |
177 |
185 |
205 |
225 |
245 |
275 |
305 |
3025 |
|
|
d1 |
номин.-макс. |
52 |
56 |
64 |
72 |
76 |
80 |
90 |
100 |
110 |
125 |
1740 |
150 |
| миним. |
51,26 |
55,26 |
63,25 |
71,26 |
75,26 |
79,26 |
89,11 |
99,13 |
109,13 |
124 |
139 |
149 |
|
|
k |
номин. |
33 |
35 |
40 |
45 |
48 |
50 |
57 |
63 |
69 |
79 |
88 |
100 |
|
миним. |
32,5 | 34,5 |
39,5 |
44,5 |
47,5 |
49,5 |
56,4 |
62,4 |
68,4 |
78,4 |
87,3 |
99,3 |
|
|
максим. |
33,5 | 35,5 | 40,5 |
45,5 |
48,5 |
50,5 |
57,6 |
63,6 |
69,3 |
79,6 |
88,7 |
100,7 |
|
|
е, не менее |
88,25 | 93,56 | 104,86 | 116,16 | 121,81 | 127,46 | 144,08 | 161,03 | 172,33 | 200,58 | 222,72 | 250,97 | |
|
r, миним |
1,6 | 2 | 2 | 2 | 2 | 2 | 2,5 | 2,5 | 2,5 | 2,5 | 2,5 | 2,5 | |
|
с |
миним. |
0,3 | 0,3 | 0,3 | - | - | - | - | - | - | - | - | - |
|
максим. |
1 | 1 | 1 | - | - | - | - | - | - | - | - | - | |
|
da, максим. |
56,6 | 63 | 71 | - | - | - | - | - | - | - | - | - | |
|
dw, не менее |
74,2 | 78,66 | 88,16 | - | - | - | - | - | - | - | - | - | |
|
l1, максим. |
10 | 12 | 13 | - | - | - | - | - | - | - | - | - | |
|
k", миним. |
22,75 | 24,15 | 27,65 | - | - | - | - | - | - | - | - | - | |
| dk |
номин.-мин. |
8 | 10 | 10 | 10 | 10 | 10 | 13 | 13 | 13 | 16 | 16 | 16 |
|
максим. |
8,36 | 10,36 | 10,36 | 10,36 | 10,36 | 10,36 | 13,43 | 13,43 | 13,43 | 16,34 | 16,34 | 16,34 | |
* Данные параметры использовать не рекомендуется.
Все параметры в таблице указаны в мм.
оставьте нам свой номер телефона и мы перезвоним через 1 минуту