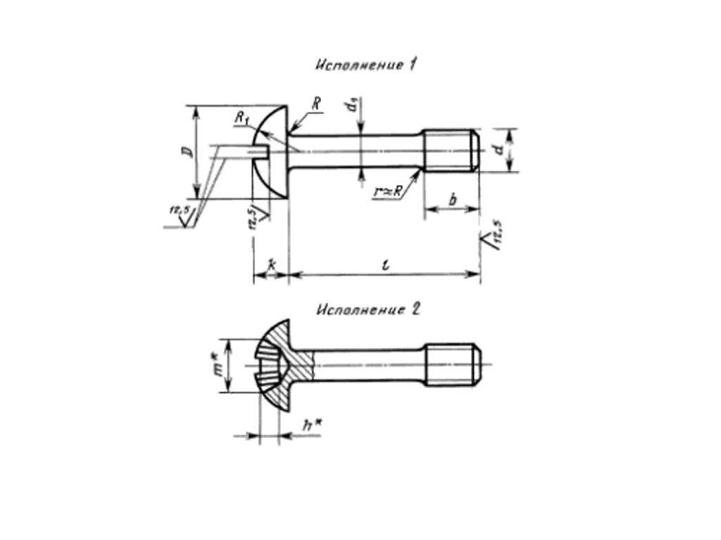
Винт с полукруглой головкой, класс точности В ГОСТ 10341-80
Продажа и поставка винтов по всей России и странам СНГ. Постоянным клиентам скидка! Под заказ! Звоните!
Продажа и поставка винтов по всей России и странам СНГ. Постоянным клиентам скидка! Под заказ! Звоните!
Винт ГОСТ 10341-80
Винт с полукруглой головкой ГОСТ 10341-80 применяется в машиностроении, приборостроении, автомобилестроении, мебельной промышленности для соединения деталей машин и механизмов.
Класс точности: B.
Поле допуска резьбы: 6g.
Класс прочности: 3,6; 4,6; 4,8; 5,8.
Узнать стоимость товара on-line
|
Параметры винта |
Номинальный диаметр резьбы d1 |
|||||||
|---|---|---|---|---|---|---|---|---|
|
М2,5 |
М3 |
M4 |
M5 |
М6 |
М8 |
М10 |
М12 |
|
|
Диаметр стержня, d1 |
1.6 | 2 | 2.8 | 3.5 | 4 | 5.5 | 7 | 9 |
|
Диаметр головки, D |
4,5 |
5,5 |
7 |
8,5 |
10 |
13 |
16 |
18 |
|
Высота головки, k |
1,7 |
2,1 |
2,8 |
3,5 |
4,2 |
5,6 |
7 |
8 |
|
Радиус сферы головки R1, не более |
2,4 | 2,9 | 3,6 | 4.4 | 5.1 | 6.6 | 8.1 | 9.1 |
|
Радиус под головкой R, не более |
0.2 | 0.2 | 0.2 | 0.4 | 0.4 | 0.5 | 0.5 | 0.6 |
|
Диаметр крестообразного шлица, m |
2,5 | 2,8 | 4,3 | 4,6 | 6,3 | 7,5 | 9,7 | 10,7 |
|
Глубина крестообразного шлица h, не менее |
1,2 | 1,5 | 2 | 2,3 | 2,5 | 3,7 | 4,6 | 5,6 |
|
Номер крестообразного шлица |
1 | 1 | 2 | 2 | 3 | 3 | 4 | 4 |
|
Длина резьбы номинальная*, b |
3 |
4 |
5 |
6 |
8 |
10 |
12 |
16 |
* ГОСТ предусматривает возможность изготовления крепежа с удлиненной резьбовой частью.
Все параметры в таблице указаны в мм.
Винт ГОСТ 10341-80 с полукруглой головкой относится к резьбовому крепежу, и представляет собой металлический стержень, на одном конце которого нарезана метрическая резьба, а на втором расположена головка со шлицем.
Винт невыпадающий с полукруглой головкой используется в мебельном производстве для соединения корпусной мебели и деталей мягкой мебели, в автомобиле- и станкостроении, для соединения машин и механизмов. Благодаря своей особенности – удерживаться внутри соединения даже в случае его ослабления и отвинчивании резьбы, винт широко используется для фиксации заглушек, в откидных деталях, а также в фиксируемых крышках, которые обеспечивают взрывобезопасность и водонепроницаемость. Кроме этого винты данной конструкции используются в приборостроении при соединении отдельных деталей, панелей и узлов не только самостоятельно, но и в комплекте со специальными втулками.
Одной из конструктивных особенностей винтов невыпадающего типа форма стержня. Диаметр стержня на участке с нарезанной больше, нежели диаметр свободной части стержня и соотносится, как 1,0:0,7. Такой конструктивный ход позволяет предупредить выпадение изделия из установочного отверстия в процессе эксплуатации.
Согласно требованиям стандарта ГОСТ 10341-80 производят винты с диаметром резьбовой части от 2,5 мм до 12 мм и длиной резьбы от 3,0 мм до 16,0 мм.
В производстве винтов применяют углеродистые стали, марок 35Х, которые характеризуются высокой стойкостью к температурным перепадам и воздействию коррозии в процессе эксплуатации резьбовых соединений. Дополнительная защита обеспечивается за счет нанесения специальных антикоррозийных веществ на поверхность метизной продукции, методами оцинкования, хроматирования, что позволяет увеличить период эксплуатации изделий и повысить устойчивость к воздействию агрессивных сред.
В производстве невыпадающих винтов также могут быть использованы цветные металлы и их сплавы – латунь ЛС59, дюралюминий Д16Т. Латунь, марки ЛС59 характеризуется незначительным содержанием меди, что повышает прочностные характеристики материала.
оставьте нам свой номер телефона и мы перезвоним через 1 минуту