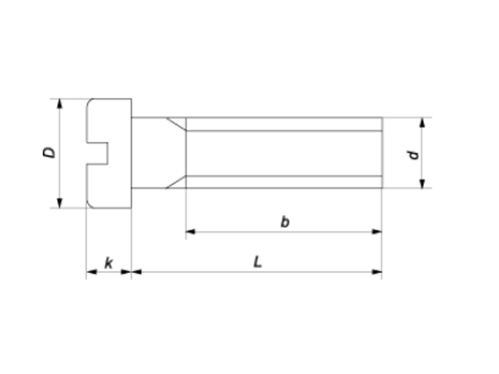
Винт с цилиндрической головкой, класс точности А,В ГОСТ 1491-80
Продажа и поставка винтов по всей России и странам СНГ. Постоянным клиентам скидка! Под заказ! Звоните!
Продажа и поставка винтов по всей России и странам СНГ. Постоянным клиентам скидка! Под заказ! Звоните!
|
Параметры винта |
Номинальный диаметр резьбы d1 |
|||||||||||||
|---|---|---|---|---|---|---|---|---|---|---|---|---|---|---|
|
М1,6 |
М2 |
М2,5 |
М3 |
М(3,5) |
M4 |
M5 |
М6 |
М8 |
М10 |
М12 |
М14 |
М16 |
||
|
Шаг резьбы, P |
крупный |
0,35 |
0,4 |
0,45 |
0,5 |
0,6 |
0,7 |
0,8 |
1 |
1,25 |
1,5 |
1,75 |
2 |
2 |
|
мелкий |
- | - |
- |
- |
- |
- |
- |
- |
1 |
1,25 |
1,25 |
1,5 |
1,5 | |
|
Диаметр головки, D |
3 |
3,8 |
4,5 |
5,5 |
6 |
7 |
8,5 |
10 |
13 |
16 |
18 |
21 |
24 | |
|
Высота головки, k |
1 |
1,3 |
1,6 |
2 |
2,4 |
2,6 |
3,3 |
3,9 |
5 |
6 |
7 |
8 |
9 |
|
|
Длина резьбы номинальная*, b |
9 |
10 |
11 |
12 |
13 |
14 |
16 |
18 |
22 |
26 |
30 |
34 |
38 |
|
* ГОСТ предусматривает возможность изготовления крепежа с удлиненной резьбовой частью.
Все параметры в таблице указаны в мм.
оставьте нам свой номер телефона и мы перезвоним через 1 минуту