Шайбы увеличенные ГОСТ 6958-78, класс точности А и С
Продажа и поставка шайбы по всей России и странам СНГ. Постоянным клиентам скидка! Под заказ! Звоните!
Продажа и поставка шайбы по всей России и странам СНГ. Постоянным клиентам скидка! Под заказ! Звоните!
Шайба ГОСТ 6958-78
Шайбы увеличенные, класс точности А и С ГОСТ 6958-78 для крепежных изделий.
Класс точности: А, С.
Марки стали: 3, 20, 35, 45, 40Х, 09Г2С, 12Х13.
Шайба увеличенная – один из распространенных видов крепежных изделий.
На предприятии ЛЗСК шайба увеличенная производится в полном соответствии со спецификациями ГОСТ 6958-78. Крепеж отвечает классам точности А и С, предусмотренным для этих изделий.
Узнать стоимость товара on-line
|
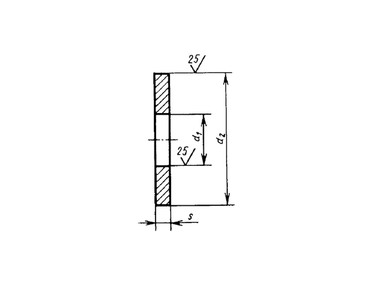
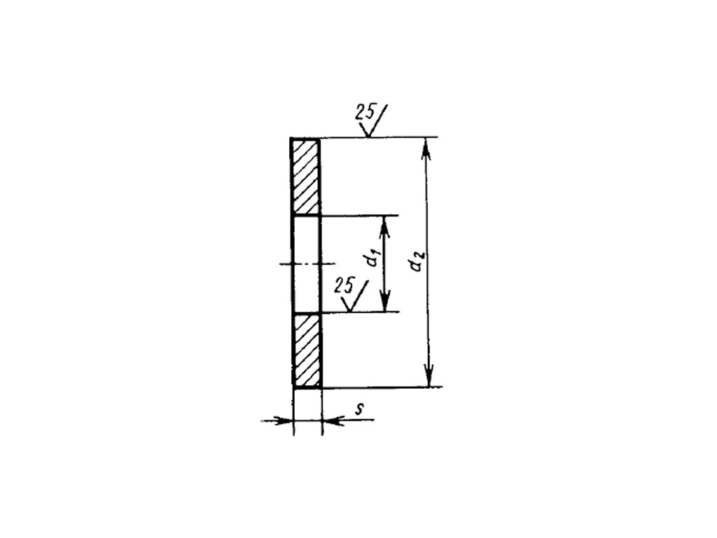
Параметры шайбы |
Диаметр резьбы крепежной детали |
||||||||||||
|---|---|---|---|---|---|---|---|---|---|---|---|---|---|
|
М10 |
М12 |
М14 |
М16 |
М18 |
М20 |
М22 |
М24 |
М27 |
М30 |
М36 |
М42 |
М48 |
|
|
Внутренний диаметр, d1 |
10.5 |
13,5 |
15,5 |
17,5 |
19 |
21 |
23 |
25 |
28 |
31 |
37 |
45 |
52 |
|
Наружный диаметр, d2 |
30 | 37 | 44 | 50 | 56 | 60 | 66 | 72 | 85 | 92 | 110 | 125 | 145 |
| Толщина, S | 2.5 | 3 |
3 |
3 |
4 |
4 |
5 |
5 |
6 |
6 |
8 | 10 |
10 |
|
Теоретическая масса1000 шт. стальных шайб, кг |
12 | 21.63 | 31.56 | 40.34 | 67.14 | 77 | 116 | 139 | 234 | 273 | 522 | 838.4 | 1129.6 |
Все параметры в таблице указаны в мм.
Главная особенность и преимущество шайб увеличенного размера заключается в большей, по сравнению со стандартным крепежом, площади. За счет этого снижается давление на скрепляемые элементы, и уменьшается риск деформации.
Наша компания поставляет 2 типа увеличенных шайб:
Крепеж используется в машиностроительной, мебельной и других производственных отраслях, а также в строительстве. Применяется для скрепления деталей и сочетается со всеми видами цилиндрического крепежа (винты, болты, шурупы, шпильки).
Увеличенные шайбы незаменимы при скреплении деревянных деталей и инсталляции сантехники из керамики. Наши эксперты рекомендуют использовать этот вид крепежа при работе с тонкими листовыми материалами.
Купить увеличенные шайбы по выгодным ценам можно в компании РУАРМ. Квалифицированные специалисты проконсультируют по вопросам выбора, оформят заказ и проследят за его выполнением.
оставьте нам свой номер телефона и мы перезвоним через 1 минуту