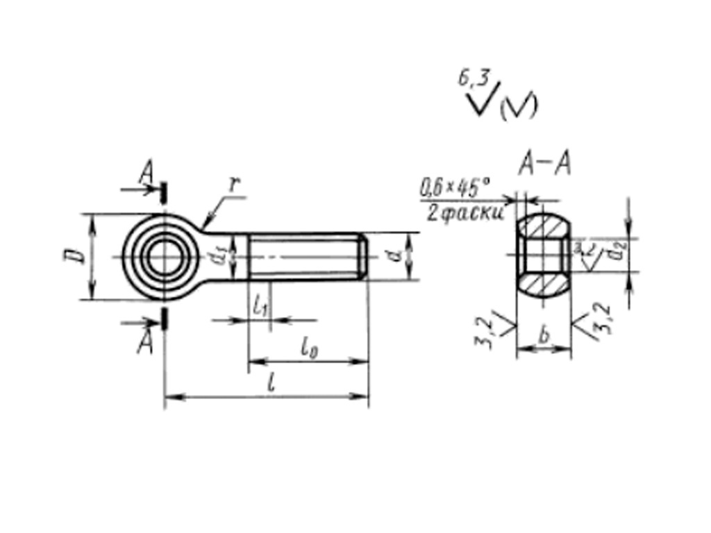
Болты откидные ГОСТ 14724-69
Продажа и поставка болтов по всей России и странам СНГ. Постоянным клиентам скидка! Под заказ! Звоните!
Продажа и поставка болтов по всей России и странам СНГ. Постоянным клиентам скидка! Под заказ! Звоните!
Болт ГОСТ 14724-69 откидной с ушком или петлей, с неполной метрической или дюймовой резьбой. Болты с ГОСТом 14724-69 широко применяется для устройства такелажных приспособлений, для монтажа различных элементов в стены или потолки для соединений деталей и агрегатов в производственных станках, приборах, а также в промышленных, машиностроительных и строительных областях.
|
Обозначение |
Номинальный диаметр резьбы d |
|||||||||||
|---|---|---|---|---|---|---|---|---|---|---|---|---|
|
d |
l | D | d1 | d2 D11 | b d11 | la |
r |
G* |
Масса, кг |
|||
| номин. | пред. откл. | номин. | пред. откл. | |||||||||
|
7002-0551 |
M5 | 25 | ±0,8 | 10 | 5 | 5 | 6 | 16 | - | 2.5 | 0,25 | 0,004 |
|
702-0552 |
M5 | 32 | ±0,8 | 10 | 5 | 5 | 6 | 16 | 22 | 2.5 | 0,25 | 0,005 |
|
7002-0556 |
M5 | 40 | ±0.8 | 10 | 5 | 5 | 6 | 16 | 22 | 2.5 | 0,25 | 0,006 |
|
7002-0554 |
M5 | 50 | ±0,8 | 10 | 5 | 5 | 6 | 16 | 30 | 2.5 | 0,25 | 0,008 |
|
7002-0555 |
M5 | 60 | ±1,5 | 10 | 5 | 5 | 6 | 16 | 30 | 2.5 | 0,25 | 0,010 |
|
7002-0556 |
M6 | 32 | ±0,8 | 12 | 6 | 6 | 8 | 20 | - | 4 | 0,3 | 0,009 |
|
7002-0557 |
M6 | 40 | ±0.8 | 12 | 6 | 6 | 8 | 20 | 25 | 4 | 0,3 | 0,011 |
|
7002-0558 |
M6 | 50 | ±0.8 | 12 | 6 | 6 | 8 | 20 | 35 | 4 | 0,3 | 0,013 |
|
7002-0559 |
M6 | 60 | ±1.5 | 12 | 6 | 6 | 8 | 20 | 35 | 4 | 0,3 | 0,015 |
|
7002-0560 |
M6 | 70 | ±1.5 | 12 | 6 | 6 | 8 | 20 | 35 | 4 | 0,3 | 0,017 |
|
7002-0561 |
M8 | 40 | ±0,8 | 16 | 8 | 8 | 10 | 25 | - | 4 | 0,3 | 0,020 |
|
7002-0562 |
M8 | 50 | ±0,8 | 16 | 8 | 8 | 10 | 25 | 35 | 4 | 0,3 | 0,024 |
|
7002-0563 |
M8 | 60 | ±1,5 | 16 | 8 | 8 | 10 | 25 | 45 | 4 | 0,3 | 0,028 |
|
7002-0564 |
M8 | 70 | ±1,5 | 16 | 8 | 8 | 10 | 25 | 45 | 4 | 0,3 | 0,032 |
|
7002-0565 |
M8 | 80 | ±1.5 | 16 | 8 | 8 | 10 | 25 | 55 | 4 | 0,3 | 0,036 |
|
7002-0566 |
M8 | 90 | ±1.5 | 16 | 8 | 8 | 10 | 25 | 55 | 4 | 0,3 | 0,040 |
|
7002-0567 |
M8 | 100 | ±1.5 | 16 | 8 | 8 | 10 | 25 | 55 | 4 | 0,3 | 0,044 |
|
7002-0568 |
M10 | 50 | ±0.8 | 20 | 10 | 10 | 12 | 30 | - | 4 | 0,4 | 0.054 |
|
7002-0569 |
M10 | 60 | ±1,5 | 20 | 10 | 10 | 12 | 30 | 50 | 4 | 0,4 | 0.060 |
|
7002-0570 |
M10 | 70 | ±1,5 | 20 | 10 | 10 | 12 | 30 | 50 | 4 | 0,4 | 0,066 |
|
7002-0571 |
M10 | 80 | ±1,8 | 20 | 10 | 10 | 12 | 30 | 60 | 4 | 0,4 | 0,073 |
|
7002-0572 |
M10 | 90 | ±1,5 | 20 | 10 | 10 | 12 | 30 | 60 | 4 | 0,4 | 0,079 |
|
7002-0573 |
M10 | 100 | ±1,5 | 20 | 10 | 10 | 12 | 30 | 70 | 4 | 0,4 | 0,505 |
|
7002-0574 |
M10 | 110 | ±1.5 | 20 | 10 | 10 | 12 | 30 | 70 | 4 | 0,4 | 0,088 |
|
7002-0575 |
M10 | 125 | ±1.5 | 20 | 10 | 10 | 12 | 40 | 70 | 4 | 0,4 | 0,059 |
|
7002-0576 |
M12 | 60 | ±1.5 | 20 | 12 | 10 | 14 | 40 | - | 6 | 0,4 | 0.059 |
|
7002-0577 |
M12 | 70 | ±1.5 | 20 | 12 | 10 | 14 | 40 | 55 | 6 | 0,4 | 0.068 |
|
7002-0578 |
M12 | 80 | ±1.5 | 20 | 12 | 10 | 14 | 40 | 65 | 6 | 0,4 | 0.077 |
|
7002-0579 |
M12 | 90 | ±1.5 | 20 | 12 | 10 | 14 | 40 | 65 | 6 | 0,4 | 0.086 |
|
7002-0580 |
M12 | 100 | ±1.5 | 20 | 12 | 10 | 14 | 40 | 75 | 6 | 0,4 | 0.094 |
|
7002-0581 |
M12 | 110 | ±1.5 | 20 | 12 | 10 | 14 | 40 | 75 | 6 | 0,4 | 0.103 |
|
7002-0582 |
M12 | 125 | ±1.5 | 20 | 12 | 10 | 14 | 40 | 75 | 6 | 0,4 | 0,117 |
|
7002-0583 |
M12 | 140 | ±1.8 | 20 | 12 | 10 | 14 | 40 | 90 | 6 | 0,4 | 1,130 |
|
7002-0584 |
M12 | 160 | ±1.8 | 20 | 12 | 10 | 14 | 40 | 90 | 6 | 0,4 | 1,148 |
|
7002-0585 |
M16 | 70 | ±1.8 | 28 | 16 | 12 | 16 | 50 | - | 6 | 0,5 | 0.135 |
|
7002-0586 |
M16 | 80 | ±1.8 | 28 | 16 | 12 | 16 | 50 | - | 6 | 0,5 | 0.151 |
|
7002-0587 |
M16 | 90 | ±2,5 | 28 | 16 | 12 | 16 | 50 | 65 | 6 | 0,5 | 0.167 |
|
7002-0588 |
M16 | 100 | ±1.8 | 28 | 16 | 12 | 16 | 50 | 75 | 6 | 0,5 | 0.183 |
|
7002-0589 |
M16 | 110 | ±1.8 | 28 | 16 | 12 | 16 | 50 | 75 | 6 | 0,5 | 0.198 |
|
7002-0590 |
M16 | 125 | ±1.8 | 28 | 16 | 12 | 16 | 50 | 75 | 6 | 0,5 | 0.222 |
|
7002-0591 |
M16 | 140 | ±2 | 28 | 16 | 12 | 16 | 50 | 90 | 6 | 0,5 | 0.246 |
|
7002-0592 |
M16 | 160 | ±2 | 28 | 16 | 12 | 16 | 50 | 110 | 6 | 0,5 | 0.277 |
|
7002-0593 |
M16 | 180 | ±2 | 28 | 16 | 12 | 16 | 50 | 110 | 6 | 0,5 | 0.309 |
|
7002-0594 |
M16 | 200 | ±2 | 28 | 16 | 12 | 16 | 50 | 110 | 6 | 0,5 | 0.341 |
|
7002-0595 |
M20 | 90 | ±1.8 | 34 | 20 | 16 | 22 | 50 | 70 | 6 | 0.6 | 0.266 |
|
7002-0596 |
M20 | 100 | ±1.8 | 34 | 20 | 16 | 22 | 50 | 80 | 6 | 0.6 | 0.291 |
|
7002-0597 |
M20 | 110 | ±1.8 | 34 | 20 | 16 | 22 | 50 | 80 | 6 | 0.6 | 0.316 |
|
7002-0598 |
M20 | 125 | ±1.8 | 34 | 20 | 16 | 22 | 50 | 80 | 6 | 0.6 | 0.353 |
|
7002-0599 |
M20 | 140 | ±2 | 34 | 20 | 16 | 22 | 50 | 95 | 6 | 0.6 | 0.390 |
|
7002-0600 |
M20 | 160 | ±2 | 34 | 20 | 16 | 22 | 60 | 110 | 6 | 0.6 | 0.432 |
|
7002-0601 |
M20 | 180 | ±2 | 34 | 20 | 16 | 22 | 60 | 110 | 6 | 0.6 | 0.485 |
|
7002-0602 |
M20 | 200 | ±2 | 34 | 20 | 16 | 22 | 60 | 110 | 6 | 0.6 | 0.534 |
|
7002-0603 |
M20 | 220 | ±2.5 | 34 | 20 | 16 | 22 | 60 | 110 | 6 | 0.6 | 0.583 |
|
7002-0604 |
M20 | 250 | ±2.5 | 34 | 20 | 16 | 22 | 60 | 125 | 6 | 0.6 | 0.657 |
|
7002-0605 |
М24 | 100 | ±1,8 | 42 | 24 | 20 | 25 | 60 | - | 10 | 0,7 | 0,420 |
|
7002-0606 |
М24 | 110 | ±1,8 | 42 | 24 | 20 | 25 | 60 | 80 | 10 | 0,7 | 0,456 |
|
7002-0607 |
М24 | 125 | ±1,8 | 42 | 24 | 20 | 25 | 60 | 80 | 10 | 0,7 | 0,509 |
|
7002-0608 |
М24 | 140 | ±2 | 42 | 24 | 20 | 25 | 60 | 95 | 10 | 0,7 | 0,563 |
|
7002-0609 |
М24 | 160 | ±2 | 42 | 24 | 20 | 25 | 70 | 110 | 10 | 0,7 | 0,628 |
|
7002-0610 |
М24 | 180 | ±2 | 42 | 24 | 20 | 25 | 70 | 110 | 10 | 0,7 | 0,699 |
|
7002-0611 |
М24 | 200 | ±2 | 42 | 24 | 20 | 25 | 70 | 110 | 10 | 0,7 | 0,770 |
|
7002-0612 |
М24 | 220 | ±2,5 | 42 | 24 | 20 | 25 | 70 | 110 | 10 | 0,7 | 0,841 |
|
7002-0613 |
М24 | 250 | ±2,5 | 42 | 24 | 20 | 25 | 70 | 125 | 10 | 0,7 | 0,947 |
|
7002-0614 |
М24 | 280 | ±2,5 | 42 | 24 | 20 | 25 | 70 | 125 | 10 | 0,7 | 1,054 |
оставьте нам свой номер телефона и мы перезвоним через 1 минуту