Болты откидные с трапецеидальной резьбой ГОСТ 14725-69
Продажа и поставка болтов по всей России и странам СНГ. Постоянным клиентам скидка! Под заказ! Звоните!
Продажа и поставка болтов по всей России и странам СНГ. Постоянным клиентам скидка! Под заказ! Звоните!
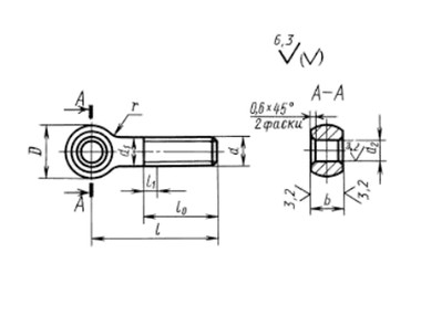
Болт ГОСТ 14724-69 откидной с ушком или петлей, с неполной метрической или дюймовой резьбой. Болты с ГОСТом 14724-69 широко применяется для устройства такелажных приспособлений, для монтажа различных элементов в стены или потолки для соединений деталей и агрегатов в производственных станках, приборах, а также в промышленных, машиностроительных и строительных областях.
|
Обозначение |
Номинальный диаметр резьбы d |
|||||||||||
|---|---|---|---|---|---|---|---|---|---|---|---|---|
|
d |
l | D | d1 | d2 D11 | b d11 | la |
Длина сбега l1, не более |
r |
G* |
Масса, кг |
||
| номин. | пред. откл. | |||||||||||
|
7002-0641 |
Tr16х4 | 70 | ±1,8 | 28 | 16 | 12 | 18 | 50 | 8 | 6 | 0,5 | 0,129 |
|
702-0642 |
Tr16х4 | 80 | ±1,8 | 28 | 16 | 12 | 18 | 50 | 8 | 6 | 0,5 | 0,145 |
|
7002-0643 |
Tr16х4 | 90 | ±1,8 | 28 | 16 | 12 | 18 | 50 | 8 | 6 | 0,5 | 0,160 |
|
7002-0644 |
Tr16х4 | 100 | ±1,8 | 28 | 16 | 12 | 18 | 50 | 8 | 6 | 0,5 | 0,176 |
|
7002-0645 |
Tr16х4 | 110 | ±1,8 | 28 | 16 | 12 | 18 | 50 | 8 | 6 | 0,5 | 0,192 |
|
7002-0646 |
Tr16х4 | 125 | ±1,8 | 28 | 16 | 12 | 18 | 50 | 8 | 6 | 0,5 | 0,216 |
|
7002-0647 |
Tr16х4 | 140 | ±2 | 28 | 16 | 12 | 18 | 50 | 8 | 6 | 0,5 | 0,239 |
|
7002-0648 |
Tr16х4 | 160 | ±2 | 28 | 16 | 12 | 18 | 50 | 8 | 6 | 0,5 | 0,271 |
|
7002-0649 |
Tr16х4 | 180 | ±2 | 28 | 16 | 12 | 18 | 50 | 8 | 6 | 0,5 | 0,303 |
|
7002-6950 |
Tr16х4 | 200 | ±2 | 28 | 16 | 12 | 18 | 50 | 8 | 6 | 0,5 | 0,334 |
|
7002-0651 |
Tr20х4 | 90 | ±1,8 | 34 | 20 | 16 | 22 | 50 | 8 | 6 | 0,6 | 0,262 |
|
7002-0652 |
Tr20х4 | 100 | ±1,8 | 34 | 20 | 16 | 22 | 50 | 8 | 6 | 0,6 | 0,286 |
|
7002-0653 |
Tr20х4 | 110 | ±1,8 | 34 | 20 | 16 | 22 | 50 | 8 | 6 | 0,6 | 0,311 |
|
7002-0654 |
Tr20х4 | 125 | ±1,8 | 34 | 20 | 16 | 22 | 50 | 8 | 6 | 0,6 | 0,348 |
|
7002-0655 |
Tr20х4 | 140 | ±2 | 34 | 20 | 16 | 22 | 50 | 8 | 6 | 0,6 | 0,385 |
|
7002-0656 |
Tr20х4 | 160 | ±2 | 34 | 20 | 16 | 22 | 60 | 8 | 6 | 0,6 | 0,430 |
|
7002-0657 |
Tr20х4 | 180 | ±2 | 34 | 20 | 16 | 22 | 60 | 8 | 6 | 0,6 | 0,470 |
|
7002-0658 |
Tr20х4 | 200 | ±2 | 34 | 20 | 16 | 22 | 60 | 8 | 6 | 0,6 | 529 |
|
7002-0659 |
Tr20х4 | 220 | ±2,5 | 34 | 20 | 16 | 22 | 60 | 8 | 6 | 0,6 | 0,578 |
|
7002-0660 |
Tr20х4 | 250 | ±2,5 | 34 | 20 | 16 | 22 | 60 | 8 | 6 | 0,6 | 0,652 |
|
7002-0661 |
Tr25х4 | 100 | ±1,8 | 42 | 24 | 20 | 25 | 60 | 10 | 10 | 0,7 | 0,416 |
|
7002-0662 |
Tr25х4 | 110 | ±1,8 | 42 | 24 | 20 | 25 | 60 | 10 | 10 | 0,7 | 0,451 |
|
7002-0663 |
Tr25х4 | 125 | ±1,8 | 42 | 24 | 20 | 25 | 60 | 10 | 10 | 0,7 | 0,505 |
|
7002-0664 |
Tr25х4 | 140 | ±2 | 42 | 24 | 20 | 25 | 60 | 10 | 10 | 0,7 | 0,558 |
|
7002-0665 |
Tr25х4 | 160 | ±2 | 42 | 24 | 20 | 25 | 70 | 10 | 10 | 0,7 | 0,622 |
|
7002-0666 |
Tr25х4 | 180 | ±2 | 42 | 24 | 20 | 25 | 70 | 10 | 10 | 0,7 | 0,693 |
|
7002-0667 |
Tr25х4 | 200 | ±2 | 42 | 24 | 20 | 25 | 70 | 10 | 10 | 0,7 | 0,765 |
|
7002-0668 |
Tr25х4 | 220 | ±2,5 | 42 | 24 | 25 | 32 | 70 | 10 | 10 | 0,7 | 0,836 |
|
7002-0669 |
Tr25х4 | 250 | ±2,5 | 42 | 24 | 25 | 32 | 70 | 10 | 10 | 0,7 | 0,942 |
|
7002-0670 |
Tr25х4 | 250 | ±2,5 | 42 | 24 | 25 | 32 | 70 | 10 | 10 | 0,7 | 1,049 |
|
7002-0671 |
Tr30х6 | 280 | ±1,8 | 52 | 30 | 25 | 32 | 70 | 12 | 10 | 0,8 | 0,834 |
|
7002-0672 |
Tr30х6 | 125 | ±2 | 52 | 30 | 25 | 32 | 80 | 12 | 10 | 0,8 | 0,917 |
|
7002-0673 |
Tr30х6 | 140 | ±2 | 52 | 30 | 25 | 32 | 80 | 12 | 10 | 0,8 | 1,018 |
|
7002-0674 |
Tr30х6 | 160 | ±2 | 52 | 30 | 25 | 32 | 80 | 12 | 10 | 0,8 | 1,130 |
|
7002-0675 |
Tr30х6 | 180 | ±2 | 52 | 30 | 25 | 32 | 80 | 12 | 10 | 0,8 | 1,240 |
|
7002-0676 |
Tr30х6 | 220 | ±2,5 | 52 | 30 | 25 | 32 | 80 | 12 | 10 | 0,8 | 1,350 |
|
7002-0677 |
Tr30х6 | 250 | ±2,5 | 52 | 30 | 25 | 32 | 80 | 12 | 10 | 0,8 | 1,517 |
|
7002-0678 |
Tr30х6 | 280 | ±2,5 | 52 | 30 | 25 | 32 | 80 | 12 | 10 | 0,8 | 1,683 |
|
7002-0679 |
Tr30х6 | 320 | ±3 | 52 | 30 | 25 | 32 | 80 | 12 | 10 | 0,8 | 1,905 |
* Допускаемое смещение оси головки относительно оси стержня.
Все параметры в таблице указаны в мм.
оставьте нам свой номер телефона и мы перезвоним через 1 минуту