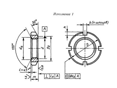
Гайка круглая шлицевая, класс точности А ГОСТ 11871-88
Продажа и поставка гаек по всей России и странам СНГ. Постоянным клиентам скидка! Под заказ! Звоните!
Продажа и поставка гаек по всей России и странам СНГ. Постоянным клиентам скидка! Под заказ! Звоните!
|
Параметры гайки |
Номинальный диаметр резьбы d |
||||||||||||
|---|---|---|---|---|---|---|---|---|---|---|---|---|---|
|
Шаг резьбы, P |
Диаметр, D |
Высота, m |
Диаметр, D1 | Высота, m1 |
Диаметр, D2 |
da |
Диаметр резьбы, b |
Число шлицев, n |
Высота, h |
c, не менее |
|||
| минимум | максимум | ||||||||||||
|
6 |
0,5 | 16 | 5 | 16 | 4 | 11,5 | 6 | 6,75 | 4 | 4 | 1,5 | 0,6 | |
|
8 |
1 | 22 | 6 | 18 | 5 | 13,5 | 8 | 8,75 | 4 | 4 | 1,5 | 0,6 | |
|
10 |
1,25 | 24 | 8 | 20 | 5 | 15,5 | 10 | 10,8 | 4 | 4 | 1,5 | 0,6 | |
|
12 |
1,25 | 26 | 8 | 22 | 6 | 17,5 | 12 | 13 | 4 | 4 | 1,5 | 0,6 | |
|
14 |
1.5 | 28 | 8 | 24 | 6 | 18,5 | 14 | 15,1 | 6 | 4 | 2 | 0,6 | |
|
16 |
1,5 | 30 | 8 | 28 | 6 | 22 | 16 | 17,3 | 6 | 4 | 2 | 0,6 | |
|
18 |
1.5 | 32 | 8 | 30 | 6 | 24 | 18 | 19,4 | 6 | 4 | 2 | 1 | |
|
20 |
1,5 | 34 | 8 | 32 | 6 | 26 | 20 | 21,6 | 6 | 4 | 2 |
1 |
|
|
22 |
1,5 | 38 | 10 | 36 | 7 | 29 | 22 | 23,8 | 6 | 4 | 2,5 | 1 | |
|
24 |
1,5 | 42 | 10 | 38 | 7 | 31 | 24 | 25,9 | 6 | 4 | 2,5 | 1 | |
|
27 |
1,5 | 45 | 10 | 42 | 7 | 35 | 27 | 29,2 | 6 | 4 | 2,5 | 1 | |
|
30 |
1,5 | 48 | 10 | 45 | 7 | 38 | 30 | 32,4 | 6 | 4 | 2,5 | 1 | |
|
33 |
1,5 | 52 | 10 | 48 | 8 | 40 | 33 | 35,6 | 8 | 4 | 3 | 1 | |
|
36 |
1,5 | 55 | 10 | 50 | 8 | 42 | 36 | 38,9 | 8 | 4 | 3 | 1 | |
|
39 |
1,5 | 60 | 10 | 56 | 8 | 48 | 39 | 42,1 | 8 | 4 | 3 | 1 | |
|
42 |
1,5 | 65 | 10 | 60 | 8 | 52 | 42 | 45,4 | 8 | 4 | 3 | 1 | |
|
45 |
,5 | 70 | 10 | 63 | 8 | 55 | 45 | 48,6 | 8 | 6 | 3,5 | 1 | |
|
48 |
1,5 | 75 | 12 | 67 | 8 | 58 | 48 | 51,8 | 8 | 6 | 3,5 | 1 | |
|
50* |
1,5 | 78 | 12 | 70 | 8 | 61 | 50 | 52 | 8 | 6 | 3,5 | 1 | |
|
52 |
1,5 | 80 | 12 | 70 | 8 | 61 | 52 | 54 | 10 | 6 | 4 | 1 | |
|
56 |
2 | 85 | 12 | 75 | 8 | 65 | 56 | 58 | 10 | 6 | 4 | 1,6 | |
|
58* |
2 | 90 | 12 | 80 | 8 | 70 | 58 | 60 | 10 | 6 | 4 | 1,6 | |
|
60 |
2 | 90 | 12 | 80 | 8 | 70 | 60 | 62 | 10 | 6 | 4 | 1,6 | |
|
62* |
2 | 95 | 12 | 85 | 8 | 75 | 62 | 64 | 10 | 6 | 4 | 1,6 | |
|
64 |
2 | 95 | 12 | 85 | 8 | 75 | 64 | 68 | 10 | 6 | 4 | 1,6 | |
|
68 |
2 | 100 | 15 | 90 | 8 | 80 | 68 | 70 | 10 | 6 | 4 | 1,6 | |
|
70* |
2 | 100 | 15 | 90 | 8 | 80 | 70 | 72 | 10 | 6 | 4 | 1,6 | |
|
72 |
2 | 105 | 15 | 95 | 10 | 85 | 72 | 75 | 10 | 6 | 4 | 1,6 | |
|
76 |
2 | 110 | 15 | 95 | 10 | 85 | 76 | 80 | 10 | 6 | 4 | 1,6 | |
|
80 |
2 | 115 | 15 | 100 | 10 | 90 | 80 | 84 | 10 | 6 | 4 | 1,6 | |
|
85 |
2 | 120 | 15 | 108 | 10 | 98 | 85 | 89 | 10 | 6 | 4 | 1,6 | |
|
90 |
2 | 125 | 18 | 112 | 10 | 102 | 90 | 94 | 12 | 6 | 4 | 1,6 | |
|
95 |
2 | 130 | 18 | 118 | 10 | 108 | 95 | 99 | 12 | 6 | 4 | 1,6 | |
|
100 |
2 | 135 | 18 | 125 | 10 | 115 | 100 | 104 | 12 | 6 | 4 | 1,6 | |
|
105 |
2 | 140 | 18 | 130 | 10 | 120 | 105 | 109 | 12 | 6 | 4 | 1,6 | |
|
110 |
2 | 150 | 22 | 138 | 12 | 125 | 110 | 114 | 14 | 6 | 5,5 | 1,6 | |
|
115 |
2 | 155 | 222 | 145 | 12 | 132 | 115 | 120 | 14 | 6 | 5,5 | 1,6 | |
|
120 |
2 | 160 | 22 | 150 | 12 | 137 | 120 | 125 | 14 | 6 | 5,5 | 1,6 | |
|
125 |
2 | 165 | 22 | 155 | 12 | 142 | 125 | 130 | 14 | 8 | 5,5 | 1,6 | |
|
130 |
2 | 170 | 22 | 160 | 12 | 147 | 130 | 135 | 14 | 8 | 5,5 | 1,6 | |
|
135* |
2 | 175 | 26 | 165 | 12 | 152 | 135 | 140 | 14 | 8 | 5,5 | 1,6 | |
|
140 |
2 | 180 | 26 | 170 | 12 | 157 | 140 | 145 | 14 | 8 | 5,5 | 2,5 | |
|
145* |
2 | 190 | 26 | 175 | 12 | 162 | 145 | 150 | 14 | 8 | 5,5 | 2,5 | |
|
150 |
2 | 200 | 26 | 180 | 12 | 167 | 150 | 155 | 16 | 8 | 5,5 | 2,5 | |
|
160 |
3 | 210 | 26 | 190 | 12 | 177 | 160 | 162 | 16 | 8 | 5,5 | 2,5 | |
|
170 |
3 | 20 | 30 | 202 | 12 | 189 | 170 | 172 | 16 | 8 | 5,5 | 2,5 | |
|
180 |
3 | 230 | 30 | 215 | 14 | 202 | 180 | 185 | 16 | 8 | 7,5 | 2,5 | |
|
190 |
3 | 240 | 30 | 230 | 14 | 213 | 190 | 195 | 16 | 8 | 7,5 | 2,5 | |
|
200 |
3 | 250 | 30 | 240 | 14 | 23 | 200 | 205 | 16 | 8 | 7,5 | 2,5 | |
* Данные параметры использовать не рекомендуется.
Все параметры указаны в миллиметрах.
оставьте нам свой номер телефона и мы перезвоним через 1 минуту