Поиск по каталогу
Опросный лист
Работаем до 17:00 по МСК

Винт ГОСТ 1476-93

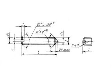
Винт установочный с коническим концом и прямым шлицем, класс точности А и В ГОСТ 1476-93.

Класс точности: A, B.
Поле допуска резьбы: 6g.
Класс прочности: 14Н, 45Н.

GOST-1476-93

Характеристики
Описание

Узнать стоимость товара on-line

Пожалуйста, докажите что Вы - не робот


Подробнее

 

Винт установочный с коническим концом и прямым шлицем, класс точности А,В ГОСТ 1476-93 в Кургане

 


Стопорный установочный винт ГОСТ 1476-93 отличается от других наличием конического конца с одной стороны и прямого шлица с другой. Изделия соответствуют двум классам точности: нормальному (В) и высокому (А). Крепежные элементы данного типа применяются в приборо-  машиностроении, также в других производственных отраслях промышленности. Изделие полностью монтируется в материал поверхности  не оставляет каких-либо следов, выступов. Рабочая поверхность после использования крепежей остается ровной.

Действующий стандарт распространяется на крепежи с номинальным резьбовым диаметром 1-12 мм. Резьба полная, нарезана по всей длине стержня, ее шаг стандартный (от 0,25 до 1,75 мм), поле допуска 6g. Длина от 2 до 60 мм. С одной стороны стержня острый конический конец, с другой – прямой шлиц.

 

Технические характеристики винт гост 1476-93: материалы исполнения, размеры и вес

 

Параметры винта

Номинальный диаметр резьбы d1

М1

М1,2

М1,6

М2

М2,5

M3

M3,5*

М4

М5

М6

М8

М10

М12

Шаг резьбы, P

0.25 0.25 0.35 0.4 0,45 0.5 0.6 0,7 0,8 1 1,25 1,5 1,75

d2

максим.

0.1 0,12 0,16 0,2 0,25 0,3 0,35 0,4 0,5 1,5 2 2,5 3

миним.

- - - - - - - - - - - - -

n

номин.

0.2

0,2

0.25

0.25 0.4

0.4

0,5

0.6

0.8

1

1.2

1.6 2

миним.

0.26 0.26 0.31 0.31 0.46 0.46 0.56 0.66 0.86 1.06 1.26 1.66 2.06

маским.

0.4 0.4 0.45 0.45 0.6 0.6 0.7 0.8 1 1.2 1.51 1.91 2.31

t

миним.

0,4

0,4

0,56

0,64

0,72

0,8

0,96

1,12

1,28 1,6

2

2.4

2,8

максим.

0,52 0,52 0,74 0,84 0,95 1,05 1,21 1,42 1,63 2 2,5 3 3,6

* Данные параметры использовать не рекомендуется.

Все параметры в таблице указаны в мм.

Остались вопросы? Звоните

+7 (3522) 55-19-86

оставьте нам свой номер телефона и мы перезвоним через 1 минуту