Штифт ГОСТ 3128-70
Продажа и поставка штифтов по всей России и странам СНГ. Постоянным клиентам скидка! Под заказ! Звоните!
Продажа и поставка штифтов по всей России и странам СНГ. Постоянным клиентам скидка! Под заказ! Звоните!
Штифт ГОСТ 3128-70
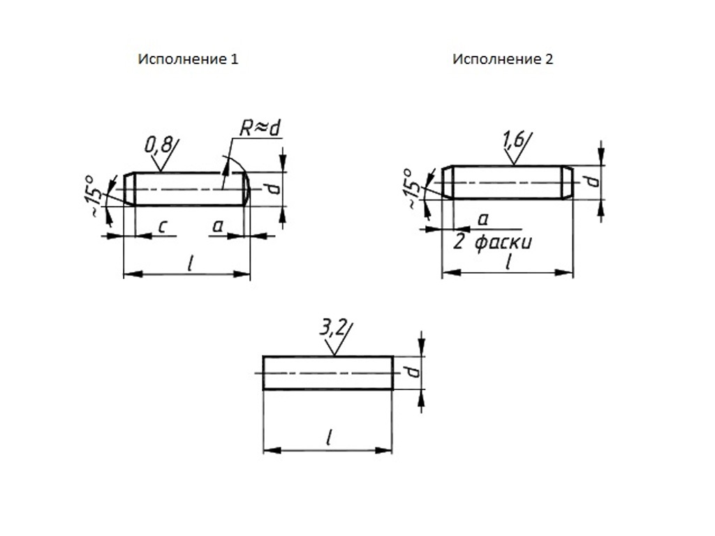
Штифты цилиндрические ГОСТ 3128-70 с резьбовым концом относятся к крепежным изделиям, особенностью которых является отсутствие головки на стержне. Изделия обеспечивают прочную фиксацию соединяемых деталей, а благодаря наличию резьбы обеспечивается высокая точность их установки. Наличие резьбы обеспечивает многократное использование изделий в механосборочных операциях без снижения точности фиксации сопряженных деталей.
Узнать стоимость товара on-line
Штифты цилиндрические ГОСТ 3128-70 с резьбовым концом нашли свое применение в общем машиностроении, а также приборостроении, мебельной промышленности и медицине. Их конструктивные особенности позволяют точно фиксировать детали различного назначения, создавая соединения, способные выдерживать небольшие нагрузки без деформационных изменений. Для штифтов с резьбовым концом не требуется дополнительного развертывания соединительных отверстий, что упрощает процесс сборки. При помощи штифтов на осях и валах крепят тела вращения, а также фиксируют взаимное расположение различных деталей и блоков на плоскости. Штифты используются для передачи крутящего момента в деталях вращения – звездочках, шкивах, муфтах и валах.
В производстве штифтов используются углеродистые стали, характеризующиеся повышенной стойкостью к нагрузкам – 45, 40Х, 30ХГСА, 40ХНМА. Незакаленные штифты ГОСТ 3128-70 характеризуются высокой твердостью 125-345 HV или твердостью 78 HRВ, что позволяет выдерживать нагрузки без разрушения, а также многократно использовать продукцию для создания прочных соединений.
Согласно требованиям действующего стандарта ГОСТ 3128-70 штифты производят с диаметром от 0,6мм до 50 мм, длиной изделия в диапазоне от 2мм до 280 мм, с крупным шагом резьбы, трех классов точности А, В, С, с полем допуска m6, h8, h11, соответственно. Изделия, предназначены для эксплуатации при температурах окружающей атмосферы от (-500С) до (+3000С). Для увеличения срока эксплуатации изделий допускается нанесение защитных покрытий – окисного и фосфатного с дополнительным покрытием слоем масла.
|
d |
2 |
2,5 |
3 |
4 |
5 |
6 |
8 |
10 |
12 |
16 |
20 |
|
с≈ |
0,35 |
0,4 |
0,5 |
0,63 |
0,8 |
1,2 |
1,6 |
2 |
2,5 |
3 |
3,5 |
|
а≈ |
0,25 |
0,3 |
0,4 |
0,5 |
0,63 |
0,8 |
1 |
1,2 |
1,6 |
2 |
2,5 |
|
L |
4* |
5* |
6* |
8* |
10* |
12* |
16* |
20* |
25* |
30* |
40* |
|
5* |
6* |
8* |
10* |
12* |
14* |
20* |
25* |
30* |
36* |
45* |
|
|
6* |
8* |
10* |
12* |
14* |
16* |
25 |
30 |
36 |
40 |
50 |
|
|
8 |
10 |
12 |
14* |
16 |
20 |
30 |
36 |
40 |
45 |
55 |
|
|
10 |
12 |
14 |
16 |
20 |
25 |
36 |
40 |
45 |
50 |
60 |
|
|
12 |
14 |
16 |
20 |
25 |
30 |
40 |
45 |
50 |
55 |
65 |
|
|
14 |
16 |
20 |
25 |
30 |
36 |
45 |
50 |
55 |
60 |
70 |
|
|
16 |
20 |
25 |
30 |
36 |
40 |
50 |
55 |
60 |
65 |
80 |
|
|
20 |
25 |
30 |
36 |
40 |
45 |
55 |
60 |
65 |
70 |
90 |
|
|
25 |
30 |
36 |
40 |
45 |
50 |
60 |
65 |
70 |
80 |
100 |
|
|
30 |
36 |
40 |
45 |
50 |
55 |
65 |
70 |
80 |
90 |
110 |
|
|
36 |
40 |
45 |
50 |
55 |
60 |
70 |
80 |
90 |
100 |
120 |
|
|
40* |
45 |
50 |
55 |
60 |
65 |
80 |
90 |
100 |
110 |
140 |
|
|
50* |
55 |
60 |
65 |
70 |
90 |
100 |
110 |
120 |
160 |
||
|
60* |
65 |
70 |
80 |
100 |
110 |
120 |
140 |
180 |
|||
|
70 |
80 |
90 |
110 |
120 |
140 |
160 |
200 |
||||
|
80* |
90 |
100 |
120 |
140 |
160 |
180 |
220 |
||||
|
100* |
110 |
140 |
160 |
180** |
200 |
250 |
|||||
|
120* |
160* |
180** |
200** |
220 |
280 |
||||||
|
220 ** |
250 |
На нашем сайте Вы можете выбрать и заказать штифты различного диаметра и длины, в необходимом количестве. Изделия изготовлены в соответствии с требованиями действующих стандартов. Более подробную информацию о предлагаемых изделиях можно получить у наших менеджеров, связавшись с ними по телефону.
оставьте нам свой номер телефона и мы перезвоним через 1 минуту