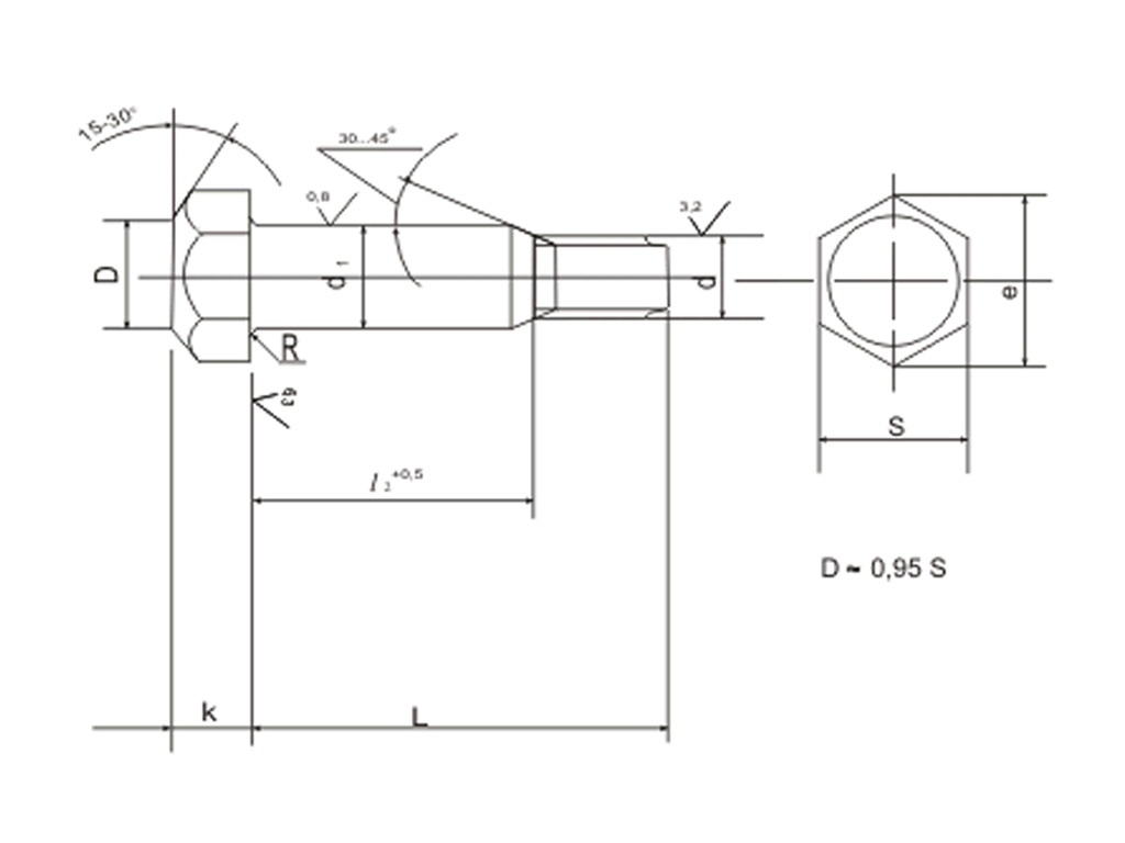
Болт ГОСТ 7817-80 с шестигранной уменьшенной головкой
Продажа и поставка болтов по всей России и странам СНГ. Постоянным клиентам скидка! Под заказ! Звоните!
Продажа и поставка болтов по всей России и странам СНГ. Постоянным клиентам скидка! Под заказ! Звоните!
Болт ГОСТ 7817-80
Болты с шестигранной уменьшенной головкой ГОСТ 7817-80 для отверстий из-под развертки. применяется в производстве мебели, строительной индустрии, машиностроении. Основной сферой применения болта являются соединения, которые могут испытывать статические, циклические, ударные (динамические) нагрузки.
Марки стали: 3, 20, 35, 45, 40Х, 09Г2С, 12Х13.
Класс точности: А.
Поле допуска резьбы: 6g.
Класс прочности: 4,8; 5,8; 6,8; 8,8; 10,9; 12,9.
Аналоги ГОСТ: ГОСТ 7808-70.
Узнать стоимость товара on-line
|
Параметры болта |
Номинальный диаметр резьбы d |
|||||||||||||||
|---|---|---|---|---|---|---|---|---|---|---|---|---|---|---|---|---|
|
М6 |
М8 |
М10 |
М12 |
M14 |
M16 |
М18 |
М20 |
М22 |
М24 |
М27 |
М30 |
М36 |
М42 |
М48 |
||
|
Шаг резьбы, P |
крупный |
1 |
1,25 |
1,5 |
1,75 |
2 |
2 |
2,5 |
2,5 |
2,5 |
3 |
3 |
3,5 |
4 |
4,5 |
5 |
|
мелкий |
- |
1 |
1,25 |
1,25 |
1,5 |
1,5 |
1,5 |
1,5 |
1,5 |
2 |
2 |
2 |
3 |
3 |
3 |
|
|
Размер под ключ, S |
10 |
12 |
14 |
17 |
19 |
22 |
24 |
27 |
30 |
32 |
36 |
41 |
50 |
60 |
70 |
|
|
Диаметр, d1 |
7 |
9 |
11 |
13 |
15 |
17 |
19 |
21 |
23 |
25 |
28 |
32 |
38 |
44 |
50 |
|
|
Диаметр отверстия, d2 |
1.6 | 2 | 2.5 | 3.2 | 3.2 | 4 | 4 | 4 | 5 | 5 | 5 | 6.3 | 6.3 | 8 | 8 | |
|
Высота головки, k |
4 |
5,5 |
7 |
8 |
9 |
10 |
12 |
13 |
14 |
15 |
17 |
19 |
23 |
26 |
30 |
|
|
Диаметр описанной окружности e, не менее |
11 |
13,2 |
15,5 |
18,9 |
21,2 |
24,5 |
26,8 |
30,1 |
33,5 |
35,8 |
40,3 |
45,9 |
56,1 |
67,4 |
78,6 |
|
|
Радиус под головкой, R |
0.25 |
0.4 |
0.4 |
0.6 |
0.6 |
0.6 |
0.6 |
0,8 |
0.8 |
0.8 |
1 |
1 |
1 |
1.2 |
1.6 |
|
|
Радиус канавки, R1 |
0.3 | 0.5 | 0.5 | 1 | 1 | 1 | 1 | 1 | 1 | 1 | 1 | 1 | 1 | 1 | 1 | |
|
Глубина канавки, f |
0.15 | 0.15 | 0.25 | 0.25 | 0.25 | 0.25 | 0.25 | 0.25 | 0.25 | 0.25 | 0.25 | 0.25 | 0.25 | 0.25 | 0.25 | |
|
Ширина канавки, W |
1 | 1.6 | 2 | 3 | 3 | 3 | 3 | 3 | 3 | 3 | 3 | 3 | 3 | 3 | 3 | |
Все параметры в таблице указаны в мм.
оставьте нам свой номер телефона и мы перезвоним через 1 минуту