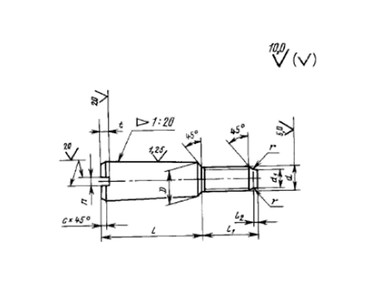
Болт конический, повышенной точности ГОСТ 15163-78
Продажа и поставка болтов по всей России и странам СНГ. Постоянным клиентам скидка! Под заказ! Звоните!
Продажа и поставка болтов по всей России и странам СНГ. Постоянным клиентам скидка! Под заказ! Звоните!
|
Параметры болта |
Номинальный диаметр резьбы, d |
|||||||
|---|---|---|---|---|---|---|---|---|
|
М4 |
М5 |
М6 |
М8 |
M10 |
M12 |
М16 |
||
|
Шаг резьбы, P |
крупный |
0,7 |
0,8 |
1 |
1,25 |
1,5 |
1,75 |
2 |
|
мелкий |
- |
- |
- |
1 |
1,25 |
1,25 |
1,5 |
|
|
D (h10) |
5 | 6 | 8 | 10 | 12 | 14 | 12 | |
|
Диаметр, d1 (h14) |
2,5 |
3,5 |
4 |
5,5 |
7 |
8,57 |
19 |
|
|
l1 (j15) |
12 | 14 | 16 | 18 | 20 | 25 | 30 | |
|
l2 (H15) |
1 | 1.2 | 1.5 | 2 | 2.5 | 3 | 4 | |
|
n (H14) |
1 | 1.2 | 1.6 | 2 | 2.5 | 3 | 4 | |
| t |
не менее |
1,2 | 1,5 | 1,8 | 2,3 | 2,7 | 3,2 | 4 |
|
не более |
1,6 | 2 | 2,3 | 2,8 | 3,2 | 3,8 | 4,6 | |
|
с |
0,8 | 1 | 1.2 | 1.6 | 1.6 | 10,6 | 2 | |
|
r |
0.3 | 0.3 | 0.4 | 0.4 | 0.5 | 0.6 | 0.8 | |
|
Отклонение от соосности резьбы относительно конусной части |
0,2 | 0,2 | 0,4 | 0,4 | 0,5 | 0,6 | 0,8 | |
|
Отклонение от симметричности шлица относительно конусной части |
0,35 | 0,35 | 0,45 | 0,45 | 0,45 | 0,45 | 0,5 | |
Все параметры в таблице указаны в мм.
оставьте нам свой номер телефона и мы перезвоним через 1 минуту