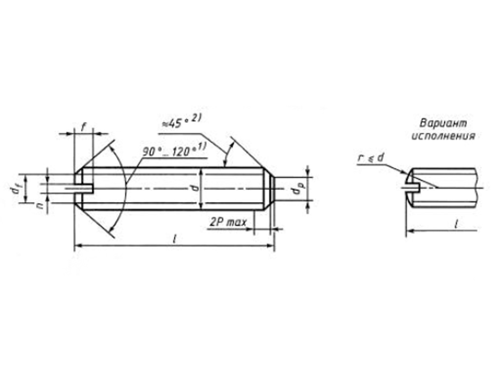
Винт установочный с цилиндрическим концом и прямым шлицем, класс точности А,В ГОСТ 1478-93
Продажа и поставка винтов по всей России и странам СНГ. Постоянным клиентам скидка! Под заказ! Звоните!
Продажа и поставка винтов по всей России и странам СНГ. Постоянным клиентам скидка! Под заказ! Звоните!
Винт ГОСТ 1478-93
Винт установочный с цилиндрическим концом и прямым шлицем, класс точности А и В ГОСТ 1478-93.
Класс точности: A, B.
Поле допуска резьбы: 6g.
Класс прочности: 14Н, 45Н.
Аналог ГОСТ: ГОСТ 1477-93.
Установочные винты применяются для создания соединений, фиксирующих положение деталей друг относительно друга.
Узнать стоимость товара on-line
Главным отличием данного вида винтов является отсутствие головки, в привычном понимании. Шлиц выполняется непосредственно в теле стержня, на его конце и имеет плоскую форму. Данный тип шлица образует крутящий момент, достаточный для создания прочного и надежного соединения. При этом степень риска разрушения установочного винта минимальна. Торцевая часть винта имеет цилиндрическую форму и облегчает установку изделия. При необходимости в паре с метизами могут использоваться шайбы и гайки. Для работы с крепежными изделиями используется отвертка с плоским шлицем или электроинструмент (шуруповерт), с насадкой в виде плоского шлица соответствующего размера.
Винт ГОСТ 1478-93 полностью ввинчивают в соединяемые детали. Описываемые винты допускается ввинчивать в детали полностью. Винт вкручивается с усилием во внешнюю деталь, в которой предварительно выполнено монтажное отверстие, диаметр которого меньше диаметра резьбы винта. Непосредственная затяжка винта осуществляется на внешней детали.
Установочные изделия достаточно часто используются для фиксации шкивов, шестерней на осях и валах. Винт вкручивается в ступицу детали, а затем довинчивается в вал, на котором и фиксируется деталь. Создаваемая деформация между винтом и осью обеспечивает прочное и надежное соединение.
Установочные винты нашли сове применение в общем машиностроении, строительстве, приборостроении.
Винты с цилиндрическим концом и прямым шлицем выпускают двух классов точности А (повышенной) и Б (нормальной), четырех классов прочности – 14Н, 22Н, 33Н, 45Н по Виккерсу.
Марки стали, используемые при изготовлении установочных винтов, в зависимости от класса прочности - 10,20,30,35,45,35Х,38ХА,40ХН,40ХН2МА. Наиболее востребованы винты из углеродистых сталей, марок – Ст35 и Ст45, которые впоследствии подвергают термообработке, что позволяет увеличить твердость поверхности изделий.
С целью увеличения периода эксплуатации изделий и предупреждения возникновения коррозии, поверхность метизов покрывают защитным слоем, который наносят гальваническими методами – оцинкованием или оксидированием.
Европейскими аналогами установочных винтов ГОСТ 1478-93 являются изделия, выполненные согласно требованиям стандартов DIN 417 (ISO 7435), DIN 926.
|
Параметры винта |
Номинальный диаметр резьбы d1 |
|||||||||||
|---|---|---|---|---|---|---|---|---|---|---|---|---|
|
М1,6 |
М2 |
М2,5 |
M3 |
M3,5* |
М4 |
М5 |
М6 |
М8 |
М10 |
М12 |
||
|
Шаг резьбы, P |
0.35 | 0.4 | 0,45 | 0.5 | 0.6 | 0,7 | 0,8 | 1 | 1,25 | 1,5 | 1,75 | |
|
d2 |
максим. |
0,8 | 1 | 1,5 | 2 | 2,2 | 2,5 | 3,5 | 4 | 5,5 | 7 | 8,5 |
|
миним. |
0,55 | 0,75 | 1,25 | 1,75 | 1,95 | 2,25 | 3,2 | 3,7 | 5,2 | 6,64 | 8,14 | |
|
n |
номин. |
0.25 |
0.25 | 0.4 |
0.4 |
0,5 |
0.6 |
0.8 |
1 |
1.2 |
1.6 | 2 |
|
миним. |
0.31 | 0.31 | 0.46 | 0.46 | 0.56 | 0.66 | 0.86 | 1.06 | 1.26 | 1.66 | 2.06 | |
|
маским. |
0.45 | 0.45 | 0.6 | 0.6 | 0.7 | 0.8 | 1 | 1.2 | 1.51 | 1.91 | 2.31 | |
|
t |
миним. |
0,56 |
0,64 |
0,72 |
0,8 |
0,96 |
1,12 |
1,28 | 1,6 |
2 |
2.4 |
2,8 |
|
максим. |
0,74 | 0,84 | 0,95 | 1,05 | 1,21 | 1,42 | 1,63 | 2 | 2,5 | 3 | 3,6 | |
* Данные параметры использовать не рекомендуется.
Все параметры в таблице указаны в мм.
оставьте нам свой номер телефона и мы перезвоним через 1 минуту