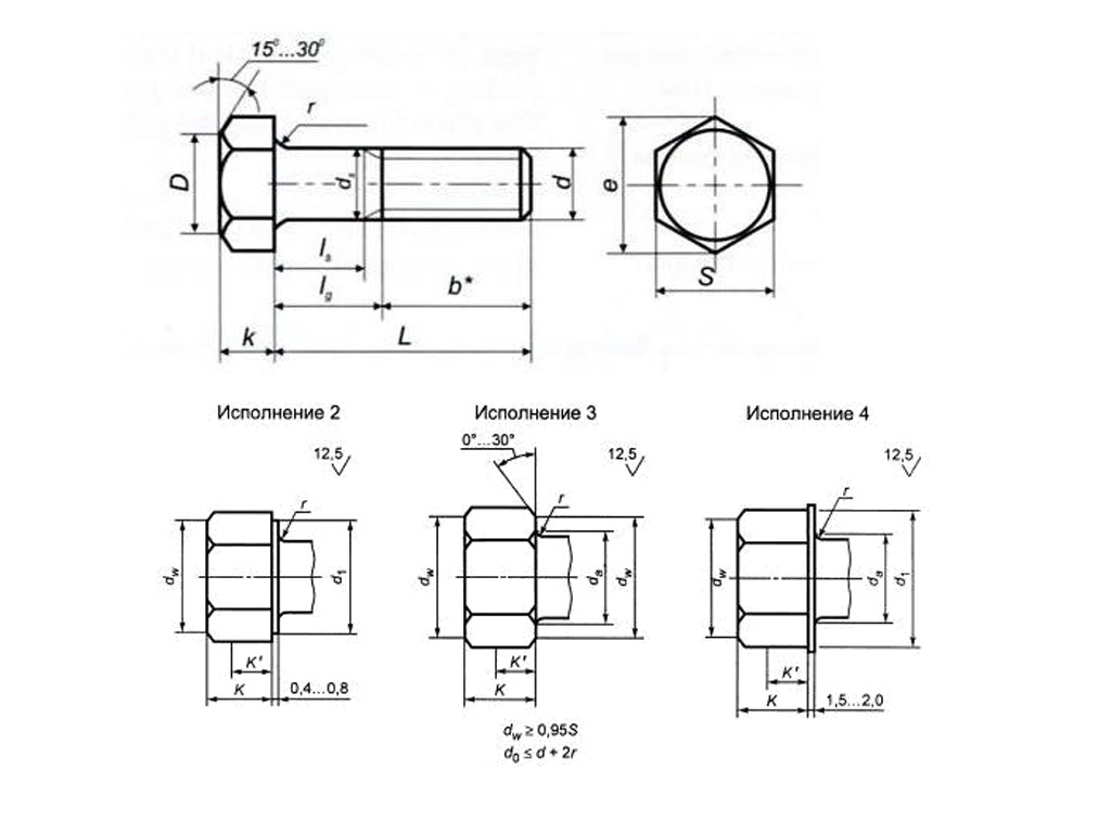
Болт высокопрочный с шестигранной головкой и увеличенным размером под ключ, класс точности С ГОСТ Р 52644-2006
Продажа и поставка болтов по всей России и странам СНГ. Постоянным клиентам скидка! Под заказ! Звоните!
Продажа и поставка болтов по всей России и странам СНГ. Постоянным клиентам скидка! Под заказ! Звоните!
Болт ГОСТ Р 52644-2006
Болт высокопрочный с шестигранной головкой и увеличенным размером под ключ, класс точности С ГОСТ Р 52644-2006. Применяются в качестве деталей соединения стальных строительных конструкций, в том числе мостовых, а также для металлических конструкций.
Класс точности: С.
Поле допуска резьбы: 6g.
Марки стали: 40Х, 30Х3МФ, 30Х2НМФА, 20Х2НМТРБ.
Класс прочности: 6,8; 8,8; 9,8; 10,9; 12,9.
Узнать стоимость товара on-line
|
Параметры болта |
Номинальный диаметр резьбы d |
|||||||
|---|---|---|---|---|---|---|---|---|
|
М16 |
М18 |
М20 |
М22 |
M24 |
M27 |
М30 |
||
|
Шаг резьбы, P |
2 |
2,5 |
2,5 |
2,5 |
3 |
3 |
3,5 |
|
|
Диаметр стержня, ds |
16 |
18 |
20 |
22 |
24 |
27 |
30 |
|
|
Высота головки, k |
12 | 13 | 14 | 15 | 17 | 19 | 19 | |
|
Диаметр описанной окружности е, не менее |
29,9 | 33,3 | 35 | 39,6 | 45,2 | 50,9 | 50,9 | |
|
Размер под ключ, S |
27 |
30 |
34 |
36 |
41 |
46 |
50 |
|
|
Радиус под головкой, r |
4 |
5,3 |
6,4 |
7,5 |
8,8 |
10 |
12 |
|
|
Длина резьбовой части, b |
L≤150 |
38 |
42 |
46 |
50 |
54 |
60 |
66 |
|
L>150 |
44 | 48 | 52 |
56 |
60 |
66 |
72 |
|
Все параметры в таблице указаны в мм.
оставьте нам свой номер телефона и мы перезвоним через 1 минуту