Гайка ГОСТ 5915-70 шестигранная, класс точности B
Продажа и поставка гаек по всей России и странам СНГ. Постоянным клиентам скидка! Под заказ! Звоните!
Продажа и поставка гаек по всей России и странам СНГ. Постоянным клиентам скидка! Под заказ! Звоните!
Гайка ГОСТ 5915-70
Гайка шестигранная, класс точности B, ГОСТ 5915-70 применяется в машиностроении и строительстве в качестве деталей соединения.
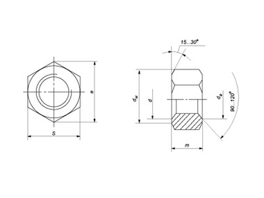
Класс точности: B.
Поле допуска резьбы: 6H.
Класс прочности: 4; 5; 6; 8; 10; 12.
Аналоги ГОСТ: ГОСТ 5927-70, ГОСТ 15526-70.
Гайки ГОСТ 5915-70 являются важным соединительным элементом при монтаже конструкций различного назначения. Такие крепежи применяются практически во всех сферах производства, но чаще востребованы в машиностроительной сфере и сфере строительства.
Узнать стоимость товара on-line
|
Параметры гайки |
Номинальный диаметр резьбы d |
|||||||||||||||||
|---|---|---|---|---|---|---|---|---|---|---|---|---|---|---|---|---|---|---|
|
М4 |
М5 |
М6 |
М8 |
М10* |
М12* |
M14* |
M16 |
М18 |
М20 |
М22* |
М24 |
М27 |
М30 |
М36 |
М42 |
М48 |
||
|
Шаг резьбы, P |
крупный |
0,7 |
0,8 |
1 |
1,25 |
1,5 |
1,75 |
2 |
2 |
2,5 |
2,5 |
2,5 |
3 |
3 |
3,5 |
4 |
4,5 |
5 |
|
мелкий |
- | - | - |
1 |
1,25 |
1,25 |
1,5 |
1,5 |
1,5 |
1,5 |
1,5 |
2 |
2 |
2 |
3 |
3 |
3 |
|
| da |
минимум |
4 | 5 | 6 | 8 | 10 | 12 | 14 | 16 | 18 | 20 | 22 | 24 | 27 | 30 | 36 | 42 | 48 |
|
максимум |
4,6 | 5,75 | 6,75 | 8,75 | 10,8 | 13 | 15,1 | 17,3 | 19,4 | 21,6 | 23,8 | 25,9 | 29,2 | 32,4 | 38,9 | 45,4 | 51,8 | |
|
Высота, m |
3,2 | 4,7 | 5,2 |
6,8 |
8,4 |
10,8 |
12,8 |
14,8 |
16,4 |
18 |
19,8 |
21,5 |
23,6 |
25,6 |
31 |
34 |
38 |
|
|
Диаметр описанной окружности e, не менее |
7,5 | 8,6 | 10,9 |
14,2 |
18,7 |
20,9 |
23,9 |
26,2 |
29.6 |
33 |
35 |
39.6 |
45.2 |
50.9 |
60.8 |
71.3 |
82.6 |
|
|
dw, не менее |
6.3 | 7.2 | 9 |
11.7 |
15.5 |
17.2 |
20.1 |
22 |
24.8 |
27.7 |
29.5 |
33.2 |
38 |
42.7 |
51.1 |
59.9 |
69.4 |
|
|
Размер под ключ, S |
7 | 8 | 10 | 13 | 17 |
19 |
22 |
24 |
27 |
30 |
32 |
36 |
41 |
46 |
55 |
65 |
75 |
|
|
Теоретическая масса 1000 шт. гаек, кг |
0.8 | 1.44 | 2.573 |
5.548 |
12.06 |
18.4 |
28.91 |
37.61 |
53.27 |
71.44 |
85.67 |
122.87 |
175.28 |
242.5 |
416.78 |
623.9 |
956.2 |
|
* Данные параметры использовать не рекомендуется.
Все параметры в таблице указаны в мм.
|
Параметры гайки |
Номинальный диаметр резьбы d |
|||
|---|---|---|---|---|
|
М10 |
М12 |
M14 |
М22 |
|
|
Диаметр описанной окружности e, не менее |
17.6 | 19.9 | 22.8 | 37.3 |
|
dw, не менее |
14.5 | 16.5 | 19.2 | 31.4 |
|
Размер под ключ, S |
16 |
18 |
21 |
34 |
|
Теоретическая масса 1000 шт. гаек, кг |
10.22 |
15.67 |
25.33 |
103.2 |
РУАРМ в большом ассортименте поставляет крепежи, различных размеров и диаметров:
Вся продукция сертифицирована и соответствует предъявляемым требованиям по качеству.
Все гайки различных диаметров изготавливаются в соответствии с установленными ГОСТами, и не могут противоречить заданным параметрам. Гайки м8 и другие, достаточно востребованы при производстве оборудования, имеют номинальный объем резьбы и соответствующие параметры с шагом резьбы 1.25. Гайки м10 с высотой 8.4 мм, изготовлены с крупным шагом резьбы (Р) в 1.5, и мелким в 1,25. Гайки м12 предназначены для более крупных соединений и имеют иные параметры по ГОСТу. Так, Р для крупного шага установлено в 1.75, для мелкого – 1.25.
оставьте нам свой номер телефона и мы перезвоним через 1 минуту