Поиск по каталогу
Опросный лист
Работаем до 17:00 по МСК

Гайка ГОСТ 8918-69

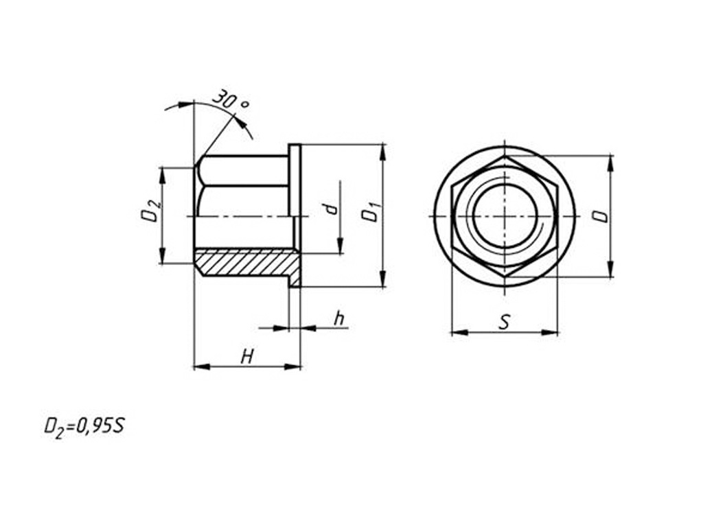
Гайка ГОСТ 8918-69 с буртиком применяется как деталь для увеличения надежности соединения совместно с болтом, шпилькой или винтом. Благодаря специфичной конструкции часто применяется на станках и станочных приспособлениях так как препятствует раскручиванию при вибрациях. Поэтому гайка с фланцем используется при креплении деталей, подвергающимся вибрационным нагрузкам . Чаще всего такую гайку шестигранную применяют в приборостроений, машиностроений, строительстве. Диаметр резьбы изделия — от 6 мм до 48 мм.


Характеристики

Узнать стоимость товара on-line

Пожалуйста, докажите что Вы - не робот


Подробнее

 

Технические характеристики гайка гост 8918-69: материалы исполнения, размеры и вес

 

Обозначение
гаек

Применяе-
мость

ГОСТ 8918-69 Гайки шестигранные с буртиком. Конструкция (с Изменениями N 1, 2)

ГОСТ 8918-69 Гайки шестигранные с буртиком. Конструкция (с Изменениями N 1, 2)
h13

ГОСТ 8918-69 Гайки шестигранные с буртиком. Конструкция (с Изменениями N 1, 2)

ГОСТ 8918-69 Гайки шестигранные с буртиком. Конструкция (с Изменениями N 1, 2)

ГОСТ 8918-69 Гайки шестигранные с буртиком. Конструкция (с Изменениями N 1, 2)

ГОСТ 8918-69 Гайки шестигранные с буртиком. Конструкция (с Изменениями N 1, 2)

Масса, кгГОСТ 8918-69 Гайки шестигранные с буртиком. Конструкция (с Изменениями N 1, 2)

7003-0301


М6

10

9

11,5

14

2

0,005

7003-0302


М8

14

12

16,2

18

0,013

7003-0303


М10

17

15

19,6

22

3

0,026

7003-0304


М12

19

18

21,9

25

0,036

7003-0305


М16

24

24

27,7

30

4

0,068

7003-0306


М20

30

30

34,6

38

5

0,134

7003-0307


М24

36

36

41,6

45

0,228

7003-0308


М30

46

45

53,1

58

6

0,460

7003-0309


М36

55

54

63,5

68

7

0,817

7003-0310


М42

65

63

75,0

80

8

1,304

7003-0311


М48

75

72

86,5

90

1,948

Остались вопросы? Звоните

+7 (3522) 55-19-86

оставьте нам свой номер телефона и мы перезвоним через 1 минуту