Гайка для фланцевых соединений ОСТ 26-2038-96
Продажа и поставка гаек по всей России и странам СНГ. Постоянным клиентам скидка! Под заказ! Звоните!
Продажа и поставка гаек по всей России и странам СНГ. Постоянным клиентам скидка! Под заказ! Звоните!
Гайка ОСТ 26-2038-96
Гайка ОСТ 26-2038-96 - гайки для фланцевых соединений трубопроводов и соединительных частей, арматуры, приборов, сосудов и аппаратов, применяемых в химической, нефтеперерабатывающей, нефтехимической, газовой, нефтяной и других смежных отраслях промышленности на условное давление Ру до 2,5 МПа (25 кгс/см2) и температуру от минус 70 до 300 °С.
Узнать стоимость товара on-line
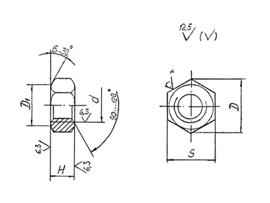
Таблица 1
В миллиметрах
|
Номинальный диаметр резьбы d |
6 |
8 |
10 |
12 |
16 |
20 |
24 |
27 |
30 |
36 |
42 |
48 |
|
|
Шаг резьбы P |
1 |
1,25 |
1,5 |
1,75 |
2 |
2,5 |
3 |
3,5 |
4 |
4,5 |
5 |
||
|
Размер «под ключ» S |
Номин. |
10 |
13 |
17 |
19 |
24 |
30 |
36 |
41 |
46 |
55 |
65 |
75 |
|
Диаметр описанной окружности D, не менее |
10,9 |
14,2 |
18,7 |
20,9 |
26,2 |
33,0 |
39,6 |
45,2 |
50,9 |
60,8 |
71,3 |
82,6 |
|
|
Высота H |
Номин. |
5 |
6,5 |
8 |
10 |
13 |
16 |
19 |
22 |
24 |
29 |
34 |
38 |
Примеры условных обозначений:
Гайка с диаметром резьбы d = 12 мм с полем допуска резьбы 7Н из стали марки 25, без покрытия:
Гайка М12,7Н.25 ОСТ 26-2038-96
То же с покрытием 01 толщиной 9 мкм:
Гайка М12,7Н.25.019 ОСТ 26-2038-96.
4 Резьба с крупным шагом по ГОСТ 24705, поле допуска 7Н по ГОСТ 16093.
5 Допуски размеров, отклонений формы и расположения поверхностей, методы контроля - по ГОСТ 1759.1.
5а Допускается для гаек, изготовляемых ковкой, предельные отклонения для размера «под ключ» по h16.
(Введен дополнительно, Изм. № 1).
6 Технические требования - по ОСТ 26-2043.
7 Масса гаек приведена в справочном приложении А.
Таблица А1
Размеры в миллиметрах
|
Номинальный диаметр резьбы |
Теоретическая масса гайки, кг |
|
6 |
0,002 |
|
8 |
0,005 |
|
10 |
0,011 |
|
12 |
0,015 |
|
16 |
0,033 |
|
20 |
0,063 |
|
24 |
0,107 |
|
27 |
0,161 |
|
30 |
0,225 |
|
36 |
0,377 |
|
42 |
0,624 |
|
48 |
0,936 |
|
Примечание - Масса подсчитана из условия плотности материала 7,85 г/см3. |
|
оставьте нам свой номер телефона и мы перезвоним через 1 минуту