Поиск по каталогу
Опросный лист
Работаем до 17:00 по МСК

Шайба ГОСТ 10450-78

Шайбы уменьшенные ГОСТ 10450-78 применяются в строительстве, машиностроении.

Шайбы изготавливаются:

  • исполнение 1 – класс точности A, C.
  • исполнение 2 – класс точности A.

Характеристики
Описание

Узнать стоимость товара on-line

Пожалуйста, докажите что Вы - не робот


Подробнее

 

Шайбы уменьшенные, класс точности А и С, ГОСТ 10450-78 в Кургане

 

Шайба ГОСТ 10450-78 очень распространенный элемент резьбового соединения, когда требуется распределить давление гайки или болта на большую поверхность. Она предохраняет поверхность изделия от возможной деформации. Шайба уменьшенная  ГОСТ 10450-78 часто используется в паре с винтом с цилиндрической головкой,  уменьшенной головкой болта или уменьшенной гайкой для того что бы максимально скрыть соединение. Такая шайба необходима при креплении, находящемся в теле детали, когда другую гайку просто не поставить из за экономии места и возможности уменьшения массы всего изделия или конструкции. Шайба также является еще и контрящим элементом этой же конструкции, препятствующим саморазвинчиванию. Шайба помогает устранить возможный перекос при завинчивании. Наибольшее применение шайба уменьшенная находит в приборостроении, технике.

Пример условного обозначения:

Шайба 16.01.10кп. 016 ГОСТ 10450-78

   Уменьшенная шайба для крепежного резъема с диаметром резьбы M16 , из стали марки 10кп, с цинковым покрытием толщиной 6 мкм хроматированным.

 

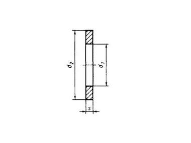
Технические характеристики шайба гост 10450-78: материалы исполнения, размеры и вес

 

Параметры шайбы

Диаметр резьбы крепежной детали

М1

М1,2

М1,4

М1,6

М2

М2,5

М3

М3,5

М4

М5

М6

М8

М10

М12

М14

М16

М18

М20

М22

М24

М27

М30

М36

М42

М48

Внутренний диаметр, d1 Класс точности А

1,1

1.3

1,5

1,7

2.2

2,7

3.2

3,7

4,3

5,3

6,4

8,4

10,5

13

15

17

19

21

23

25

28

31

37

-

-

Класс точности С

1,2

1.4

1,6

1,8

2.4

2,9

3,4

3,9

4,5

5,5

6,6

9

11

13,5

15,5

17,5

20

22

24

26

30

33

39

45

52

Внешний диаметр, d2

2,5

3

3

3,5

4,5

5

6

7

8

9

11

15

18

20

24

28

30

34

37

39

44

50

60

72

84

Толщина, S

0,3

0.3

0,3

0,3

0.3 0.5 0.5 0.5 0.5 1 1.6 1.6 0,6 2 2.5 2,5 3 3 3 4 4 4 5 4 6

Все параметры в таблице указаны в мм.

Остались вопросы? Звоните

+7 (3522) 55-19-86

оставьте нам свой номер телефона и мы перезвоним через 1 минуту