Поиск по каталогу
Опросный лист
Работаем до 17:00 по МСК

Винт ГОСТ 11644-75

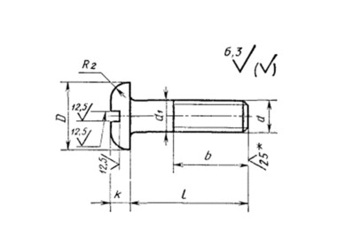
Винт с цилиндрической скругленной головкой, класс точности A и В ГОСТ 11644-75.

Класс точности: A, B.
Поле допуска резьбы: 6g.
Класс прочности: 4,8.


Характеристики

Узнать стоимость товара on-line

Пожалуйста, докажите что Вы - не робот


Подробнее

 

Технические характеристики винт гост 11644-75: материалы исполнения, размеры и вес

 

Параметры винта

Номинальный диаметр резьбы d1

М2

М2,5

М3

М3,5

M4

M5

М6

М8

М10

Шаг резьбы, P

крупный

0,4

0,45

0,5

0,6

0,7

0,8

1

1,25

1,5

мелкий

-

-

-

-

-

-

-

1

1,25

Диаметр головки, D

4

5

6

7

8

10

12

16

20

Высота головки, k

1,2

1,5

1,8

2,1

2,4

3

3,6

4,8

6

Длина резьбы, b

удлиненная - 18

19

20

22

25

28

34 40

нормальная

10 11 12 13 14 16 18 22 26

Все параметры в таблице указаны в мм.

Винт ГОСТ 11644-75 – это крепежный элемент с цилиндрической скругленной головкой, диаметр которой – от 4 до 20 мм. Изготавливается из стали, латунного или алюминиевого сплава. Минимальная длина винта – 3 мм, а максимальная – 70 мм.

Область применения такого типа винтов самая широкая. Особенно часто они используется в машиностроении для создания различных креплений металлоконструкций.

На нашем сайте можно осуществить заказ  винтов ГОСТ 11644-75. Важно помнить о маркировке на упаковке. Обычно здесь указаны: вид стандарта, классы прочности и точности, диаметр и шаг резьбы, длина винта, вид покрытия, предприятие-изготовитель.

Мы реализуем винты класса точности А и В, с покрытием и без него. Винты, длина стержня которых меньше длины резьбы, выполнены в соответствии ГОСТ с резьбой по всему стержню.

Для заказа звоните по телефону, указанному на сайте. Доставка будет осуществлена в кратчайшие сроки.

Остались вопросы? Звоните

+7 (3522) 55-19-86

оставьте нам свой номер телефона и мы перезвоним через 1 минуту