Болты с шестигранной головкой для фланцевых соединений 26-2037-96
Продажа и поставка болтов по всей России и странам СНГ. Постоянным клиентам скидка! Под заказ! Звоните!
Продажа и поставка болтов по всей России и странам СНГ. Постоянным клиентам скидка! Под заказ! Звоните!
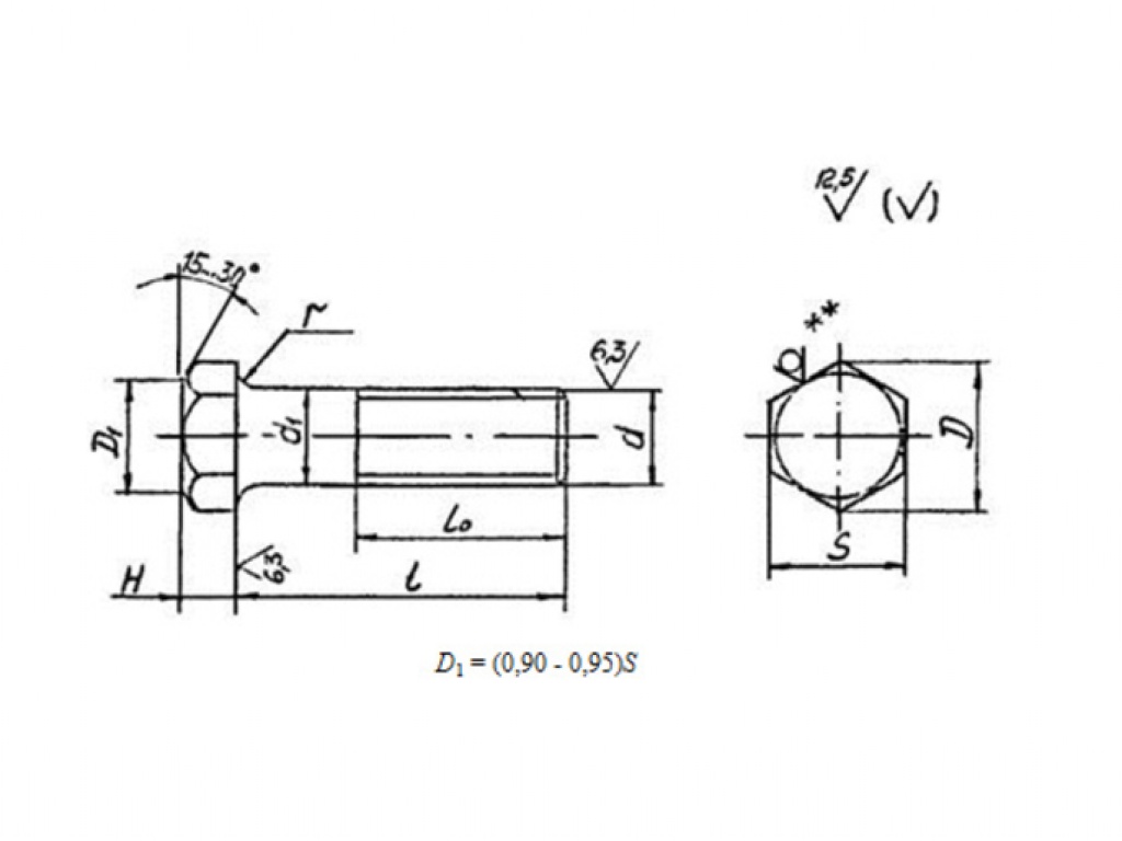
Болт ОСТ 26-2037-96
Болты шестигранные для фланцевых соединений ОСТ 26-2037-96.
Применяется для фланцевых соединений трубопроводов и соединительных частей, арматуры, приборов в химической, нефтеперерабатывающей, нефтехимической, газовой, нефтяной и других смежных отраслях промышленности на условное давление Ру до 2,5 МПа (25 кгс/см2) и температуру от минус 70 до 300 °С.
Болты со спец. головками по требованию заказчика. (Футеровочные, сальниковые, специальные для труб и другие). Поле допуска резьбы: 8g.
Марка стали: 35
Узнать стоимость товара on-line
|
Параметры болта |
Номинальный диаметр резьбы d |
||||||||||||
|---|---|---|---|---|---|---|---|---|---|---|---|---|---|
|
М6 |
М8 |
М10 |
М12 |
М16 |
М20 |
М24 |
М27 |
М30 |
М36 |
М42 |
М48 |
||
|
Шаг резьбы, P |
1 |
1,25 |
1,5 |
1,75 |
2 | 2,5 | 3 | 3 | 3,5 |
4 |
4,5 |
5 |
|
|
Диаметр стержня, d1 |
по ГОСТ 19256 или ГОСТ 19258 | ||||||||||||
|
Размер под ключ, S |
10 |
13 |
17 |
19 |
24 | 30 | 36 | 41 | 46 | 55 |
65 |
75 |
|
|
Диаметр описанной окружности, В не менее |
10,9 | 14,2 |
18,7 |
20,9 | 26,2 | 33 | 39,6 | 45,2 | 50,9 |
60,8 |
71,3 |
82,6 |
|
|
Высота головки, H номин. |
4 |
5,3 |
6,4 |
7,5 |
10 | 12,5 | 15 | 17 | 18,7 |
22,5 |
26 |
30 |
|
| Радиус под головкой | не менее |
0,25 |
0,4 |
0,4 |
0,6 |
0,6 | 0,8 | 0,8 | 1 | 1 |
1 |
1,2 |
1,6 |
| не более |
0,4 |
0,6 |
0,6 |
1,1 |
1,1 | 1,2 | 1,2 | 1,7 | 1,7 |
1,7 |
1,8 |
2,3 |
|
|
Радиус головки, R |
- | 18 | 32 | 28 | 34 | 43 | 52 | 59 | 74 | 93 | 116 | 139 | |
|
Глубина вмятины, h1 |
- | 0.5 | 0.5 | 1 | 1,5 | 2 | 2,5 | 3 | 3 | 3,5 | 4 | 4,5 | |
|
Диаметр отверстия, d3 |
1.6 | 2 | 2.5 | 3.2 | 4 | 4 | 5 | 5 | 6.3 | 6.3 | 8 | 8 | |
|
Диаметр отверстия, d4 |
2 | 2.5 | 3.2 | 3.2 | 4 | 4 | 4 | 4 | 4 | 5 | 5 | 5 | |
|
Расстояние от опорной поверхности до оси отверстия в головке, l2 |
2 | 2.8 | 3.5 | 4 | 5 | 6.5 | 7.5 | 8.5 | 9.5 | 11.5 | 13 | 15 | |
* Болты с этими размерами длин применять не рекомендуется.
Все параметры в таблице указаны в мм.
Работаем с индивидуальными заказами, оставляя неизменными основные эксплуатационные характеристики, Вам достаточно предоставить нашим технологам данные об изделии:
Мы будем рады видеть Вас в числе наших партнеров, ждем Ваших заказов!
оставьте нам свой номер телефона и мы перезвоним через 1 минуту