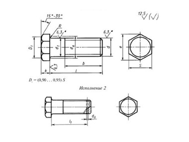
Болт с шестигранной уменьшенной головкой, нормальной и повышенной точности ГОСТ 18125-72
Продажа и поставка болтов по всей России и странам СНГ. Постоянным клиентам скидка! Под заказ! Звоните!
Продажа и поставка болтов по всей России и странам СНГ. Постоянным клиентам скидка! Под заказ! Звоните!
Болт ГОСТ 18125-72
Болт с шестигранной уменьшенной головкой ГОСТ 18125-72 нормальной и повышенной точности. Применяется в производстве мебели, строительной индустрии, машиностроении. Основной сферой применения болта являются соединения, которые могут испытывать статические, циклические, ударные (динамические) нагрузки.
Марки стали: 3, 20, 35, 45, 40Х, 09Г2С, 12Х13.
Класс прочности: 4,8; 5,8; 6,8; 8,8; 10,9; 12,9.
Узнать стоимость товара on-line
|
Параметры болта |
Номинальный диаметр резьбы d |
||||||||||||
|---|---|---|---|---|---|---|---|---|---|---|---|---|---|
|
М52 |
М56 |
М64 |
М72 |
M76 |
M80 |
М90 |
М100 |
М110 |
М125 |
М140 |
М160 |
||
|
Шаг резьбы, P |
крупный |
5 |
5,5 |
6 |
- |
- |
- |
- |
- |
- |
- |
- |
- |
|
мелкий |
3 |
4 |
4 |
6 и 4 |
- |
- |
- |
- |
- |
- |
- |
- |
|
|
Размер под ключ, S |
70 |
75 |
85 |
95 |
100 |
105 |
115 |
130 |
145 |
155 |
180 |
210 | |
|
Диаметр, d1 |
52 |
56 |
64 |
72 |
76 |
80 |
90 |
100 |
110 |
125 |
140 |
160 |
|
|
Высота головки, k |
28 |
30 |
35 |
40 |
42 |
45 |
50 |
55 |
62 |
67 |
75 |
90 |
|
|
Диаметр описанной окружности l, не менее |
для болтов нормальной точности |
77,7 |
83,4 |
94,5 |
105,8 |
111,4 |
117,1 |
128,4 |
145,1 |
162 |
173,3 |
201,6 |
235,2 |
| для болтов повышенной точности |
78,6 |
84,3 |
95,1 |
106,4 |
112 |
117,7 |
129 |
145,8 |
162,7 |
174 |
202,3 |
236 |
|
|
Диаметр отверстия в стержне, d3 |
8 |
10 |
10 |
10 |
10 |
10 |
13 |
13 |
13 |
16 |
16 |
16 |
|
|
Радиус под головкой R, не менее |
для болтов нормальной точности |
1.6 |
1.6 |
1.6 |
1.6 |
1.6 |
1.6 |
2 |
2 |
2 |
2.5 |
2.5 |
2.5 |
|
для болтов повышенной точности |
1 | 1 |
1 |
1 |
1 |
1 |
1.6 |
1.6 |
1.6 |
1.6 |
1.6 |
1.6 |
|
Все параметры в таблице указаны в мм.
оставьте нам свой номер телефона и мы перезвоним через 1 минуту