Поиск по каталогу
Опросный лист
Работаем до 17:00 по МСК

Винт ГОСТ 1485-84

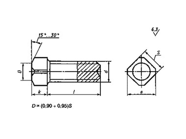
Винт установочный с квадратной головкой и засверленным концом, класс точности A и В ГОСТ 1485-84.

Класс точности: A, B.
Поле допуска резьбы: 6g.
Класс прочности: 14H, 25H.
 

Аналог ГОСТ: ГОСТ 1482-84.


Характеристики

Узнать стоимость товара on-line

Пожалуйста, докажите что Вы - не робот


Подробнее

 

Технические характеристики винт гост 1485-84: материалы исполнения, размеры и вес

 

Параметры винта

Номинальный диаметр резьбы d1

М6

М8

М10

М12

M16

M20

Размер под ключ, S

7

8

10

12

17

22

Высота головки, k

6

7

8

10

14

18

Диаметр описанной окуржности е

9 10 13 16 22 28

Все параметры в таблице указаны в мм.

Остались вопросы? Звоните

+7 (3522) 55-19-86

оставьте нам свой номер телефона и мы перезвоним через 1 минуту