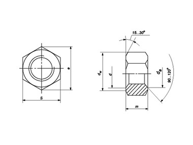
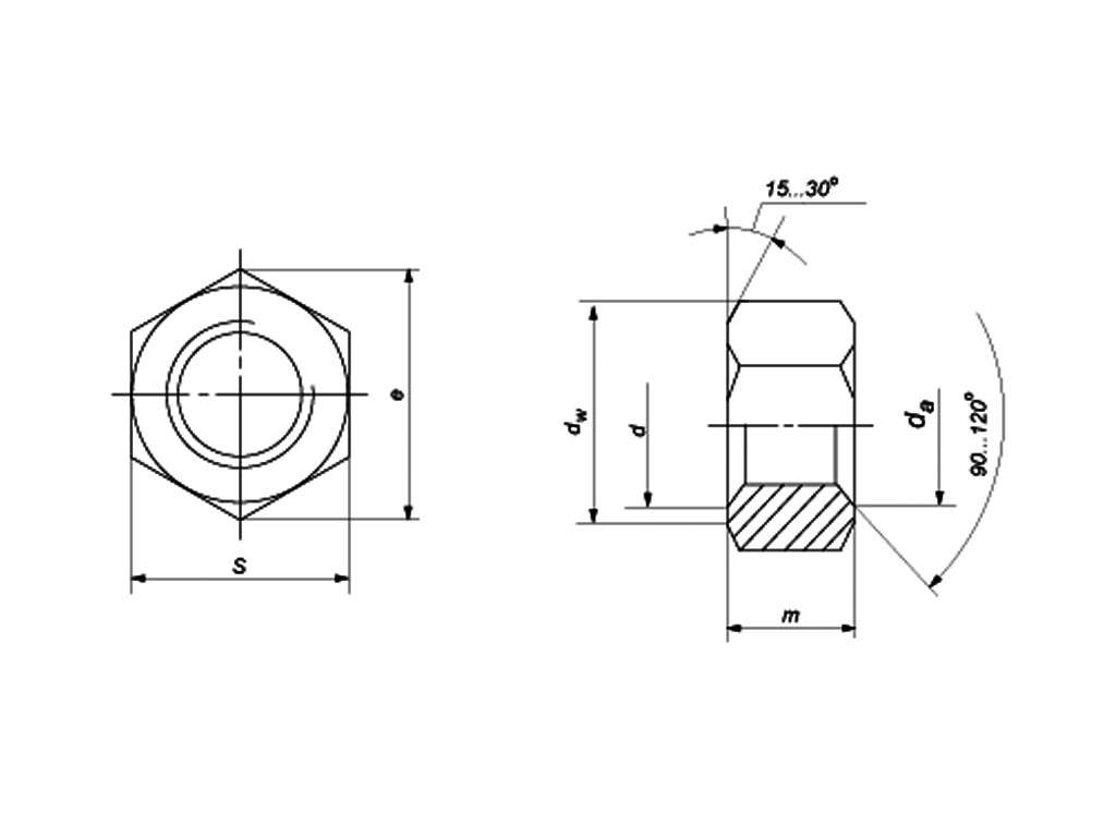
Гайка шестигранная, класс точности А ГОСТ 5927-70
Продажа и поставка гаек по всей России и странам СНГ. Постоянным клиентам скидка! Под заказ! Звоните!
Продажа и поставка гаек по всей России и странам СНГ. Постоянным клиентам скидка! Под заказ! Звоните!
Гайка ГОСТ 5927-70
Класс точности: A.
Поле допуска резьбы: 6H.
Класс прочности: 4; 5; 6; 8; 10; 12.
Аналоги ГОСТ: ГОСТ 5915-70, ГОСТ 15526-70.
На каждом предприятии по выпуску специального крепежа особое внимание уделяют серийному производству гаек. Этот вид крепежа используется для разъемных соединений только в комплекте с другими деталями – винтами, болтами, шпильками.
Узнать стоимость товара on-line
Разновидности гаек широко используются на строительных объектах, машиностроительных, станкостроительных предприятиях, станциях технического обслуживания. Они также находят применение при сооружении металлических каркасов, ангаров, в мостостроении, при ремонте техники.
Гайка шестигранная, класс точности А ГОСТ 5927-70 – с метрической размерностью резьбы одна из самых распространенных разновидностей специального крепежа. Гайки шестигранные применяются при сооружении объектов, на которых возможны высокие нагрузки или вибрационное воздействие. Есть также объекты с повышенной влажностью, где очень высок риск коррозии. Гайки шестигранные этой серии применяют также там, где случаются резкие перепады температурных режимов. Они выдерживают высокие перегрузки и отрицательное воздействие окружающей среды, потому что для изготовления данного вида гаек применяются лучшие высокопрочные, нержавеющие, жаропрочные сорта стали или латунь. Они подвергаются гальванической обработке цинком или хромируются.
Такие меры намного повышают эффективность эксплуатации этого вида крепежа на самых сложных и важных узлах и соединениях.
|
Параметры гайки |
Номинальный диаметр резьбы d |
|||||||||||||||||
|---|---|---|---|---|---|---|---|---|---|---|---|---|---|---|---|---|---|---|
|
М4 |
М5 |
М6 |
М8 |
М10* |
М12* |
M14* |
M16 |
М18 |
М20 |
М22* |
М24 |
М27 |
М30 |
М36 |
М42 |
М48 |
||
|
Шаг резьбы, P |
крупный |
0,7 |
0,8 |
1 |
1,25 |
1,5 |
1,75 |
2 |
2 |
2,5 |
2,5 |
2,5 |
3 |
3 |
3,5 |
4 |
4,5 |
5 |
|
мелкий |
- | - | - |
1 |
1,25 |
1,25 |
1,5 |
1,5 |
1,5 |
1,5 |
1,5 |
2 |
2 |
2 |
3 |
3 |
3 |
|
| da |
минимум |
4 | 5 | 6 | 8 | 10 | 12 | 14 | 16 | 18 | 20 | 22 | 24 | 27 | 30 | 36 | 42 | 48 |
|
максимум |
4,6 | 5,75 | 6,75 | 8,75 | 10,8 | 13 | 15,1 | 17,3 | 19,4 | 21,6 | 23,8 | 25,9 | 29,2 | 32,4 | 38,9 | 45,4 | 51,8 | |
|
Высота, m |
3,2 | 4 | 5 |
6,5 |
8 |
10 |
11 |
13 |
15 |
16 |
18 |
19 |
22 |
24 |
29 |
34 |
38 |
|
|
Диаметр описанной окружности e, не менее |
7,7 | 8,8 | 11.1 |
14,4 |
18,9 |
21.1 |
24.5 |
26,8 |
30.1 |
33.5 |
35.7 |
40 |
45.6 |
51.3 |
61.3 |
72.6 |
83.9 |
|
|
dw, не менее |
6.3 | 7.2 | 9 |
11.7 |
15.6 |
17.4 |
20.6 |
22.5 |
25.3 |
28.2 |
30 |
33.6 |
38.4 |
43.1 |
51.5 |
61 |
70.5 | |
|
Размер под ключ, S |
7 | 8 | 10 | 13 | 17 |
19 |
22 |
24 |
27 |
30 |
32 |
36 |
41 |
46 |
55 |
65 |
75 |
|
|
Теоретическая масса 1000 шт. гаек, кг |
0.8 | 1.208 | 2.441 |
5.13 |
11.37 |
15.4 |
24.48 |
33.17 |
47.03 |
62.2 |
76.77 |
107 |
161.4 |
242.5 |
376.9 |
623.9 |
956.2 |
|
* Данные параметры использовать не рекомендуется.
Все параметры в таблице указаны в мм.
|
Параметры гайки |
Номинальный диаметр резьбы d |
|||
|---|---|---|---|---|
|
М10 |
М12 |
M14 |
М22 |
|
|
Диаметр описанной окружности e, не менее |
17.8 | 20 | 23.4 | 37.7 |
|
dw, не менее |
14.6 | 16.6 | 19.6 | 31.7 |
|
Размер под ключ, S |
16 |
18 |
21 |
34 |
|
Теоретическая масса 1000 шт. гаек, кг |
10.22 |
15.67 |
25.33 |
103.2 |
оставьте нам свой номер телефона и мы перезвоним через 1 минуту